|
|
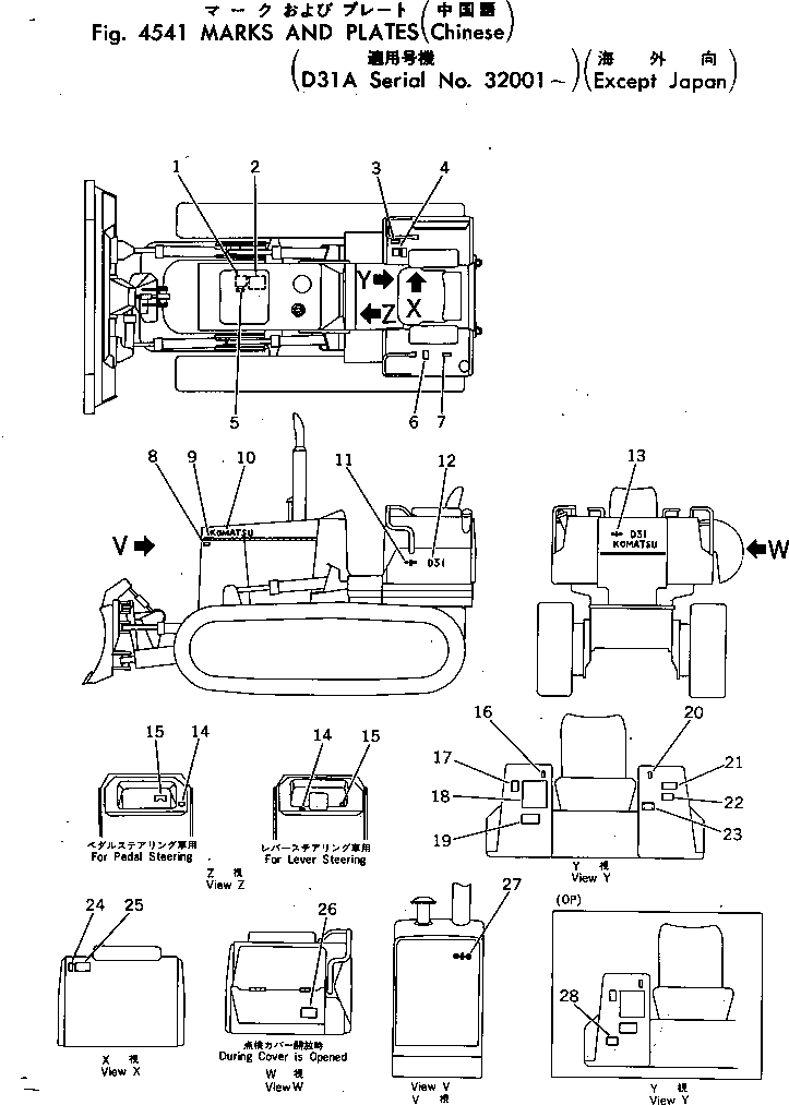
1 |
09650-90103
|
PLATE, INSTRUCTION,RADIATOR |
1 |
SN: 32001-UP
|
|
|
|
2 |
09637-90261
|
PLATE, INSTRUCTION,AIR CLEANER |
1 |
SN: 32001-UP
|
|
|
|
3 |
114-98-21150
|
PLATE, OPERATING,ANGLE CONTROL LEVER |
1 |
SN: 32001-UP
|
|
|
|
4 |
.
|
COVER,BLADE CONTROL LEVER |
1 |
SN: 32001-UP
|
|
|
|
4 |
09670-00005
|
PLATE, OPERATING,BLADE CONTROL LEVER |
1 |
SN: 32001-UP
|
|
|
|
5 |
09668-09000
|
PLATE, SAFETY,RADIATOR CAP |
1 |
SN: 32001-UP
|
|
|
|
6 |
09653-09000
|
PLATE, SAFETY,HYDRAULIC TANK |
1 |
SN: 32001-UP
|
|
|
|
7 |
09652-90101
|
PLATE, CAUTION,FUEL TANK WATER DRAIN |
1 |
SN: 32001-UP
|
|
|
|
8 |
09667-09000
|
PLATE, SAFETY,ENGINE COVER |
1 |
SN: 32001-UP
|
|
|
|
9 |
113-98-21220
|
PLATE, STRIPE |
2 |
SN: 32001-UP
|
|
|
|
10 |
09690-00450
|
PLATE, MARK,KOMATSU |
2 |
SN: 32001-UP
|
|
|
|
11 |
09694-00140
|
PLATE, MARK,SYMBOL |
2 |
SN: 32001-UP
|
|
|
|
12 |
114-98-21121
|
PLATE, MARK,D31A |
2 |
SN: 32001-UP
|
|
|
|
13 |
09692-02312
|
PLATE, MARK,KOMATSU |
1 |
SN: 32001-UP
|
|
|
|
14 |
09651-09000
|
PLATE, SAFETY,BEFORE OPERATING |
1 |
SN: 32001-UP
|
|
|
|
15 |
09683-90060
|
PLATE, OPERATING,STARTING SWITCH |
1 |
SN: 32001-UP
|
|
|
|
16 |
09685-00002
|
PLATE, OPERATING,BLADE CONTROL LEVER LOCK |
1 |
SN: 32001-UP
|
|
|
|
17 |
09173-09000
|
PLATE, SAFETY,INSPECTION AND MAINTENANCE |
1 |
SN: 32001-UP
|
|
|
|
18 |
.
|
COVER |
1 |
SN: 32001-UP
|
|
|
|
18 |
114-98-31910
|
CHART, OIL,(FOR TRIMMING DOZER) |
1 |
SN: 32001-UP
|
|
|
|
19 |
09657-09000
|
PLATE, SAFETY,TRACK SHOE ADJUSTING |
1 |
SN: 32001-UP
|
|
|
|
20 |
09685-00002
|
PLATE, OPERATING,TRANSMISSION LEVER LOCK |
1 |
SN: 32001-UP
|
|
|
|
21 |
09649-09001
|
PLATE, INSTRUCTION,ENGINE STOPPED |
1 |
SN: 32001-UP
|
|
|
|
22 |
114-98-31930
|
PLATE, OPERATING,INTAKE AIR HEATER SWITCH |
1 |
SN: 32001-UP
|
|
|
|
23 |
09601-90835
|
PLATE, NAME,(LIMITED SUPPLY) |
1 |
SN: 32001-UP
|
|
|
|
23 |
04418-13060
|
SCREW |
4 |
SN: 32001-UP
|
|
|
|
24 |
09685-00001
|
PLATE, OPERATING,PARKING BRAKE LEVER |
1 |
SN: 32001-UP
|
|
|
|
25 |
09654-09000
|
PLATE, SAFETY,STARTING AND LEAVING SEAT |
1 |
SN: 32001-UP
|
|
|
|
26 |
114-98-31940
|
PLATE, CAUTION,OIL FILTER |
1 |
SN: 32001-UP
|
|
|
|
27 |
10E-54-23110
|
PLATE, MARK,SYMBOL |
1 |
SN: 32001-UP
|
|
|
|
28 |
09656-90080
|
PLATE, INSTRUCTION,ADDITIONAL FUEL STRAINER |
1 |
SN: 32001-UP
|
|