Find books across the catalog from one place.
This page is prepared as the search workspace. The search behavior itself can be connected in the next step.
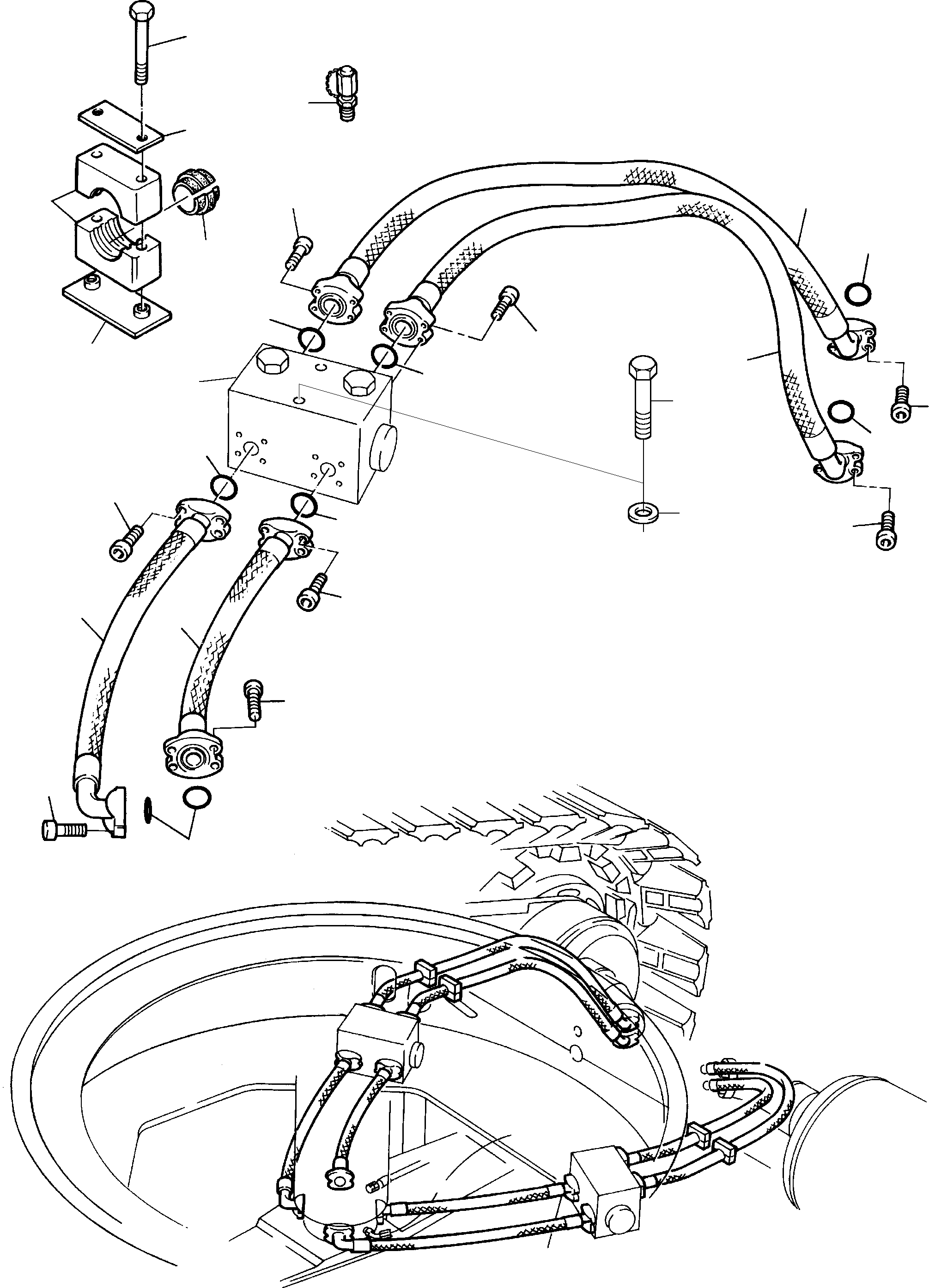
6212611203.PRESSURE LINES, DRIVEMOTOR - ROTARY JOINT (485-3170a) in PC3000-1 S/N 06190. Diagram image and parts list.
Test text. Dear users! Access to the special equipment catalogs is paid. You can review the service usage rules and tariffs on the page!