Search in all models by partnumber
Search current book

Komatsu PC3000-1 S/N 06211 parts catalog PDF

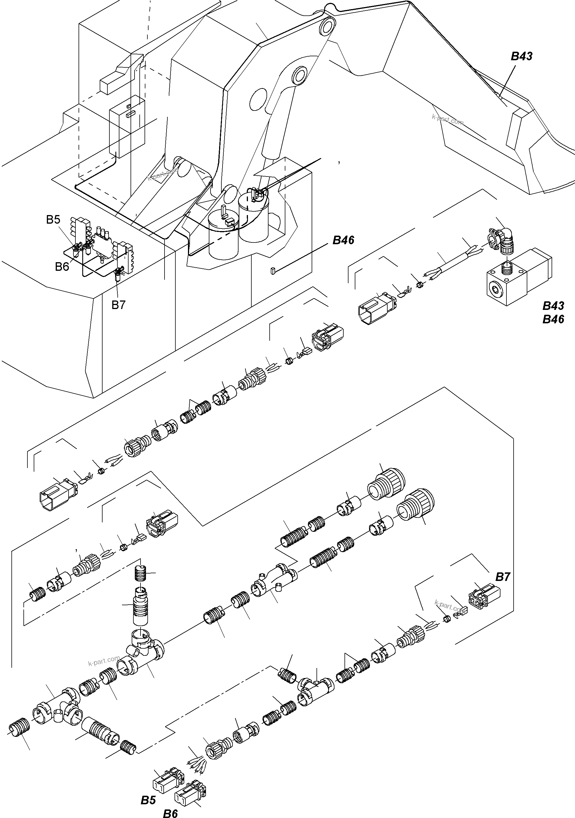
ELECTR. PARTS (485-2321g) in PC3000-1 S/N 06211. Diagram image and parts list.

Model manual types and quick links