|
|
01 |
358 677 40
|
Hydr.-motor, assy. |
1 |
|
|
|
|
02 |
753 588
|
Housing |
1 |
|
|
|
|
03 |
319 124 99
|
Screw |
2 |
|
|
|
|
04 |
343 855 99
|
Lock washer |
6 |
|
|
|
|
05 |
319 431 99
|
Screw |
4 |
|
|
|
|
06 |
753 589
|
Connection plate |
1 |
|
|
|
|
07 |
971 096
|
O-ring |
1 |
|
|
|
|
08 |
344 777 99
|
Parallel pin |
1 |
|
|
|
|
09 |
754 465
|
Transmission, assy.
fig-nos: 10,17-30 |
1 |
|
|
|
|
10 |
754 468
|
Transmission, assy.
fig-nos: 11-16 |
1 |
|
|
|
|
11 |
753 591
|
Control plate |
1 |
|
|
|
|
12 |
753 606
|
Cylinder |
1 |
|
|
|
|
13 |
754 467
|
Spring plate |
1 |
|
|
|
|
14 |
753 596
|
Cup spring |
4 |
|
|
|
|
15 |
753 597
|
Trunnion |
1 |
|
|
|
|
16 |
754 466
|
Piston with piston ring |
7 |
|
|
|
|
17 |
753 599
|
Screw, burnished |
7 |
|
|
|
|
18 |
754 469
|
Withdrawal plate |
1 |
|
|
|
|
19 |
753 602
|
Disk |
1 |
|
|
|
|
20 |
754 470
|
Drive shaft with bearing set
with fig-nos: 21-23,27 |
1 |
|
|
|
|
21 |
|
Roller bearing
These parts are not sold
separately |
1 |
|
|
|
|
22 |
|
Race
These parts are not sold
separately |
1 |
|
|
|
|
23 |
|
Roller bearing
These parts are not sold
separately |
1 |
|
|
|
|
24 |
753 607
|
Shim ring 85x105x0,1 |
2 |
|
|
|
|
25 |
341 518 99
|
Shim ring 85x105x0,3 |
1 |
|
|
|
|
26 |
972 199
|
O-ring |
1 |
|
|
|
|
27 |
|
Groove nut
These parts are not sold
separately |
1 |
|
|
|
|
28 |
975 304
|
Shaft seal
No field repair item |
1 |
|
|
|
|
29 |
754 471
|
Cover
No field repair item |
1 |
|
|
|
|
|$$30 |
753 605
|
Cover, assy.
with fig-no: 28 |
1 |
|
|
|
|
30 |
342 671 99
|
Circlip |
1 |
|
|
|
|
|$$32 |
754 472
|
Repair kit
fig-nos: 07,26,28,29 |
-2 |
|
|
|
|
|$$33 |
973 125
|
Fluid sealing to fig-no: 17 50 ml |
-2 |
|
|
|
|
|$$34 |
989 946
|
Fluid sealing (pipe thread) 50 ml (Rohrgewinde) |
-2 |
|
|
|
|
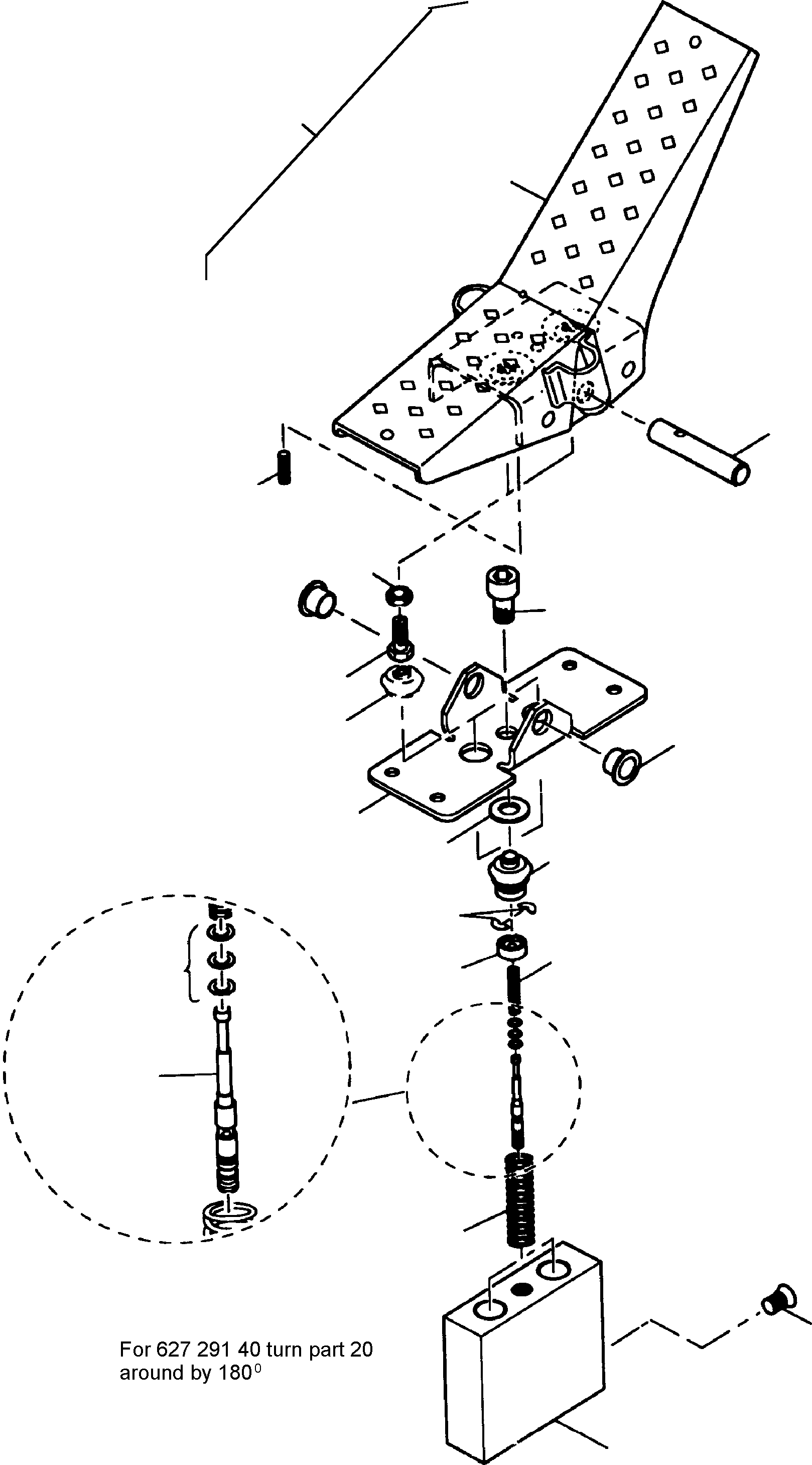
01 |
604 750 40
|
Pilot oil unit |
1 |
|
|
|
|
02 |
762 586 73
|
Pedal |
1 |
|
|
|
|
03 |
762 587 73
|
Pin |
1 |
|
|
|
|
04 |
327 523 99
|
Threaded pin |
1 |
|
|
|
|
05 |
332 332 99
|
Nut |
2 |
|
|
|
|
06 |
762 588 73
|
Bushing |
2 |
|
|
|
|
07 |
319 154 99
|
Bolt |
1 |
|
|
|
|
08 |
|
Bolt
These parts are not sold
separately |
2 |
|
|
|
|
09 |
762 589 73
|
Bellow |
2 |
|
|
|
|
10 |
762 593 73
|
Plate |
1 |
|
|
|
|
11 |
762 594 73
|
Shim ring |
1 |
|
|
|
|
12 |
762 595 73
|
Tappet kit |
2 |
|
|
|
|
13 |
|
Disc
These parts are not sold
separately |
4 |
|
|
|
|
14 |
|
Spring plate
These parts are not sold
separately |
2 |
|
|
|
|
15 |
762 596 73
|
Spring |
2 |
|
|
|
|
16 |
|
Shim ring
These parts are not sold
separately |
2 |
|
|
|
|
16 |
|
Shim ring
These parts are not sold
separately |
2 |
|
|
|
|
16 |
|
Shim ring
These parts are not sold
separately |
2 |
|
|
|
|
17 |
|
Piston
These parts are not sold
separately |
2 |
|
|
|
|
18 |
762 597 73
|
Spring |
2 |
|
|
|
|
19 |
313 405 99
|
Plug |
1 |
|
|
|
|
20 |
|
Housing
These parts are not sold
separately |
1 |
|
|