|
|
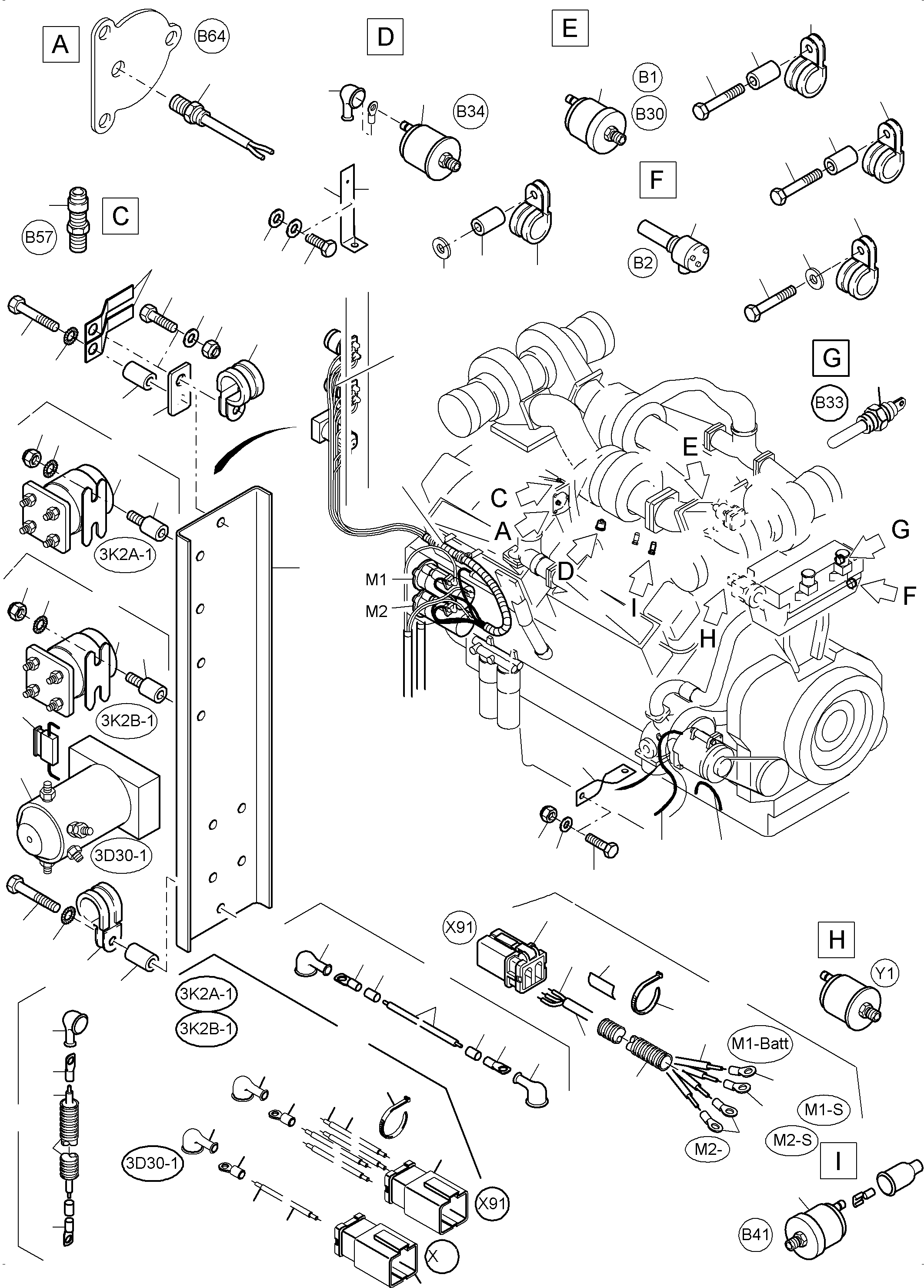
01 |
955 473 40
|
Harness - engine |
1 |
|
|
|
|
02 |
0443451510
|
Clip NW 15 |
29 |
|
|
|
|
03 |
0819320010
|
Clip |
2 |
|
|
|
|
04 |
507 596 98
|
Washer |
6 |
|
|
|
|
05 |
507 037 98
|
Nut |
34 |
|
|
|
|
06 |
340 465 99
|
Washer |
34 |
|
|
|
|
07 |
517 853 98
|
Resilent sleeve 10,5/25x80 |
3 |
|
|
|
|
08 |
504 281 98
|
Bolt |
3 |
|
|
|
|
09 |
0443452110
|
Clip NW 21,5 |
5 |
|
|
|
|
10 |
0443452711
|
Clip NW 27 |
62 |
|
|
|
|
11 |
931 317 40
|
Plate |
1 |
|
|
|
|
12 |
307 661 99
|
Bolt |
2 |
|
|
|
|
13 |
340 459 99
|
Washer |
2 |
|
|
|
|
14 |
343 104 99
|
Lock washer |
2 |
|
|
|
|
15 |
307 779 99
|
Bolt |
5 |
|
|
|
|
16 |
517 122 98
|
Lock washer |
12 |
|
|
|
|
17 |
510 741 98
|
Resilient sleeve |
8 |
|
|
|
|
18 |
931 316 40
|
Plate |
1 |
|
|
|
|
19 |
0443451210
|
Clip NW 12 |
2 |
|
|
|
|
20 |
940 473 40
|
Resistance Thermometer |
1 |
|
|
|
|
21 |
431 169 40
|
Temperature transmitter |
1 |
|
|
|
|
22 |
941 885 40
|
Pressure switch (cooling water) |
1 |
|
|
|
|
23 |
941 886 40
|
Pressure switch - engine-oil pressure |
1 |
|
|
|
|
24 |
941 887 40
|
Pressure switch - engine-oil pressure |
1 |
|
|
|
|
25 |
515 562 40
|
Pressure transmitter 10 bar |
1 |
|
|
|
|
26 |
414 899 40
|
Rpm-sensor |
1 |
|
|
|
|
27 |
931 387 40
|
Harness - Generator-Ground |
1 |
|
|
|
|
28 |
950 454 40
|
Seal |
1 |
|
|
|
|
29 |
931 388 40
|
Harness Enginefeet-Ground |
1 |
|
|
|
|
30 |
516 092 98
|
Resilient sleeve |
1 |
|
|
|
|
31 |
307 775 99
|
Bolt |
11 |
|
|
|
|
32 |
0443450510
|
Clip NW 4,8 |
2 |
|
|
|
|
33 |
0443453211
|
Clip NW 32 |
3 |
|
|
|
|
34 |
0443451910
|
Clip NW 19 |
4 |
|
|
|
|
35 |
0443452712
|
Clip NW 27 |
1 |
|
|
|
|
36 |
655 650 40
|
Cable protection hose DN 12 |
-2 |
|
|
|
|
37 |
655 651 40
|
Cable protection hose DN 17 |
-2 |
|
|
|
|
38 |
655 652 40
|
Cable protection hose DN 23 |
-2 |
|
|
|
|
39 |
906 420 40
|
T-Distributor DN 12 |
6 |
|
|
|
|
40 |
655 629 40
|
T-Distributor DN 17 |
5 |
|
|
|
|
41 |
907 733 40
|
T-Distributor DN 23 |
1 |
|
|
|
|
42 |
655 630 40
|
T-Distributor DN 29/23 |
2 |
|
|
|
|
43 |
655 626 40
|
Distributor DN 17/12 |
1 |
|
|
|
|
44 |
655 633 40
|
Pipe adapter DN 17/12 |
6 |
|
|
|
|
45 |
655 634 40
|
Pipe adapter DN 23/17 |
2 |
|
|
|
|
46 |
655 810 40
|
Pipe adapter DN 29/12 |
2 |
|
|
|
|
47 |
907 692 40
|
Fitting PG 9 |
17 |
|
|
|
|
48 |
907 703 40
|
Cable union |
14 |
|
|
|
|
49 |
907 704 40
|
Cable union |
3 |
|
|
|
|
50 |
621 548 40
|
Plug |
1 |
|
|
|
|
51 |
621 547 40
|
Socket |
1 |
|
|
|
|
52 |
0819105420
|
Socket |
5 |
|
|
|
|
53 |
655 848 40
|
Fitting PG 17 |
2 |
|
|
|
|
54 |
952 603 40
|
Retainer - Booster assy. |
-2 |
|
|
|
|
55 |
323 961 40
|
Sleeve 6,3x0,8 |
1 |
|
|
|
|
56 |
255 745 40
|
Rubber grommet |
3 |
|
|
|
|
57 |
055 100 40
|
Cable shoe |
1 |
|
|
|
|
58 |
896 520 40
|
End pin |
3 |
|
|
|
|
59 |
896 521 40
|
End pin |
5 |
|
|
|
|
60 |
0819212920
|
Plug, assy. |
6 |
|
|
|
|
61 |
256 721 40
|
Protection cap |
1 |
|
|
|
|
62 |
896 558 40
|
Pipe adapter DN 29/23 |
1 |
|
|
|
|
63 |
907 947 40
|
Connector distributor DN 29/23 |
3 |
|
|
|
|
64 |
907 971 40
|
Pipe adapter DN 23/12 |
1 |
|
|
|
|
65 |
941 777 40
|
Plate |
16 |
|
|
|
|
66 |
056 292 40
|
Cable strap |
16 |
|
|
|
|
67 |
515 213 40
|
Cable 1,0mm2 blue |
-2 |
|
|
|
|
68 |
515 214 40
|
Cable 2,5mm2 blue |
-2 |
|
|
|
|
69 |
907 877 40
|
Cable 2x0,75mm2 grey |
-2 |
|
|
|
|
70 |
055 104 40
|
Cable lug 1,5 |
1 |
|
|
|
|
71 |
940 461 40
|
Insulating tube B5x0,6 |
2 |
|
|
|
|
72 |
055 108 40
|
Cable lug |
1 |
|
|
|
|
73 |
950 112 40
|
Plug |
1 |
|
|
|
|
74 |
950 133 40
|
Plug |
1 |
|
|
|
|
75 |
907 980 40
|
Fitting DN 23 |
2 |
|
|
|
|
76 |
0819105320
|
Pin |
68 |
|
|
|
|
77 |
0819100770
|
Sealing plug |
12 |
|
|
|
|
78 |
907 974 40
|
Fitting DN 12 |
1 |
|
|
|
|
79 |
0819105340
|
Pin |
4 |
|
|
|
|
80 |
906 696 40
|
Protection cap |
1 |
|
|
|
|
81 |
896 769 40
|
Protection cap |
1 |
|
|
|
|
82 |
940 852 40
|
Plug |
3 |
|
|
|
|
83 |
940 913 40
|
Warmth shrink hose |
-2 |
|
|
|
|
84 |
940 909 40
|
Warmth shrink hose |
-2 |
|
|
|
|
85 |
940 460 40
|
Insulating tube B4x0,5 |
-2 |
|
|
|
|
86 |
940 459 40
|
Insulating tube 3x0,4 |
-2 |
|
|
|
|
87 |
940 463 40
|
Insulating tube |
-2 |
|
|
|
|
88 |
933 385 40
|
Plug with bushings assy. |
2 |
|
|
|
|
89 |
940 629 40
|
Warmth shrink hose |
-2 |
|
|
|
|
90 |
933 399 40
|
Relay plate |
1 |
|
|
|
|
91 |
933 397 40
|
Plate |
1 |
|
|
|
|
92 |
0443451610
|
Clip NW 16 |
2 |
|
|
|
|
93 |
307 779 99
|
Bolt |
1 |
|
|
|
|
94 |
507 037 98
|
Nut |
1 |
|
|
|
|
95 |
340 465 99
|
Washer |
2 |
|
|
|
|
96 |
511 869 98
|
Resilent sleeve |
2 |
|
|
|
|
97 |
307 761 99
|
Screw |
2 |
|
|
|
|
98 |
517 121 98
|
Lock washer |
2 |
|
|
|
|
99 |
655 642 40
|
Circular bearing |
4 |
|
|
|
|
100 |
507 025 98
|
Nut |
8 |
|
|
|
|
101 |
350 762 99
|
Washer |
8 |
|
|
|
|
102 |
931 381 40
|
Harness starter relay plate |
1 |
|
|
|
|
103 |
933 389 40
|
Harness Engine relay |
1 |
|
|
|
|
104 |
056 076 40
|
Protection cap |
3 |
|
|
|
|
105 |
932 727 40
|
Cable shoe |
1 |
|
|
|
|
106 |
055 089 40
|
Cable shoe |
3 |
|
|
|
|
107 |
932 557 40
|
Heat Protection hose |
-2 |
|
|
|
|
108 |
907 891 40
|
Cable 70,0mm2 black |
-2 |
|
|
|
|
109 |
933 388 40
|
Plug assy. 4-pole |
1 |
|
|
|
|
110 |
940 465 40
|
Insulating tube 10x0,7 |
-2 |
|
|
|
|
111 |
907 511 40
|
Cable lug 2,5 |
1 |
|
|
|
|
112 |
933 387 40
|
Plug assy. |
1 |
|
|
|
|
113 |
907 132 40
|
Cable lug 2.5 |
4 |
|
|
|
|
114 |
932 518 40
|
Cable lug |
1 |
|
|
|
|
115 |
933 384 40
|
Receptacle assembly |
1 |
|
|
|
|
116 |
939 043 40
|
Harness - engine exhaust temp. Retrofit r.h. |
1 |
|
|
|
|
117 |
939 046 40
|
Harness - engine exhaust temp.Retrofit l.h. |
1 |
|
|
|
|
118 |
939 030 40
|
Harness - engine Retrofit |
1 |
|
|
|
|
119 |
939 039 40
|
Harness X99 - Amplifier |
1 |
|
|
|
|
120 |
941 242 40
|
Engine monitoring |
1 |
|
|
|
|
121 |
793 258 73
|
Fuse with cable |
1 |
|
|
|
|
122 |
766 379 73
|
RPM - Sensor |
1 |
|
|
|
|
123 |
659 892 40
|
Starter relay assy. |
2 |
|
|
|
|
124 |
792 585 73
|
Time lag relay |
1 |
|
|
|
|
125 |
635 965 40
|
Relay |
2 |
|
|
|
|
130 |
907 709 40
|
Cable union PG 16 |
2 |
|
|
|
|
131 |
940 452 40
|
Fitting |
2 |
|
|
|
|
132 |
939 096 40
|
Female Connector assembly |
12 |
|
|
|
|
133 |
958 963 40
|
Socket assy. with rubber grommet |
12 |
|
|
|
|
134 |
941 845 40
|
Cable |
-2 |
|
|
|
|
135 |
655 633 40
|
Pipe adapter DN 17/12 |
4 |
|
|
|
|
136 |
939 099 40
|
Female Connector assembly |
1 |
|
|
|
|
137 |
939 089 40
|
Female Connector assembly |
2 |
|
|
|
|
138 |
939 094 40
|
Female Connector assembly |
1 |
|
|
|
|
139 |
907 975 40
|
Fitting DN17 |
1 |
|
|
|
|
140 |
950 136 40
|
Plug |
2 |
|
|
|
|
141 |
950 131 40
|
Protection cap |
1 |
|
|
|
|
142 |
930 579 40
|
Threaded pin |
4 |
|
|
|
|
143 |
174 411 40
|
Cable strap |
54 |
|
|
|
|
144 |
940 462 40
|
Insulating tube |
-2 |
|
|
|
|
145 |
955 627 40
|
Plug assy. |
12 |
|
|
|
|
146 |
907 710 40
|
Cable union PG 16 |
2 |
|
|
|
|
147 |
907 948 40
|
Fitting M25/NW23 |
2 |
|
|
|
|
148 |
907 976 40
|
Fitting |
1 |
|
|
|
|
149 |
950 110 40
|
Plug |
1 |
|
|
|
|
151 |
655 696 40
|
Cable protection hose DN 29 |
-2 |
|
|