Find books across the catalog from one place.
This page is prepared as the search workspace. The search behavior itself can be connected in the next step.
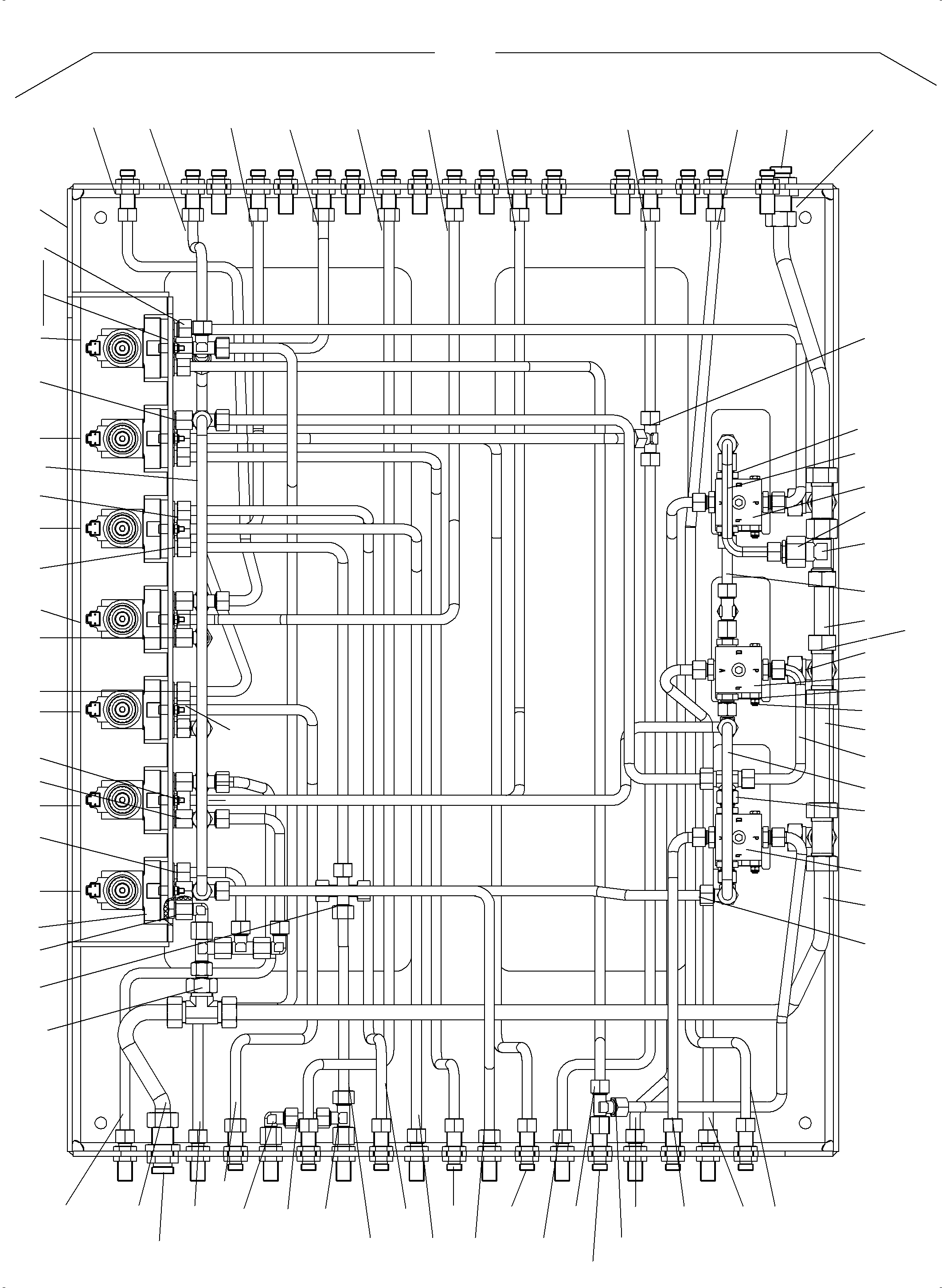
6212611203.
PIPES - PILOT CONTROL PLATE (BBE) (485-1882g) in PC3000-6 S/N 46228. Diagram image and parts list.
Test text. Dear users! Access to the special equipment catalogs is paid. You can review the service usage rules and tariffs on the page!