|
|
? |
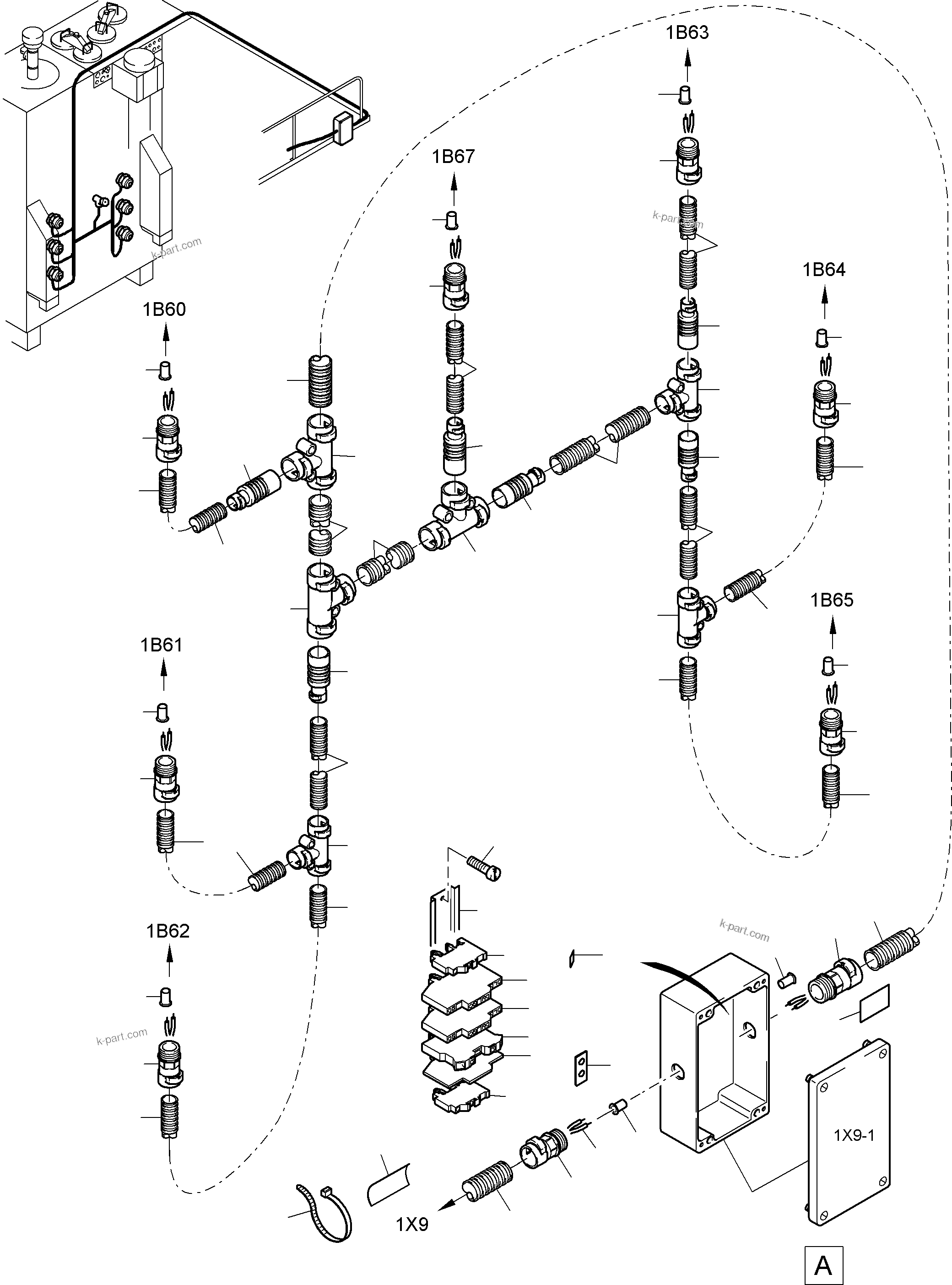
939 012 40
|
Harness Hydraulic oel |
1 |
InternKon: 939 010 40 / 1
|
|
|
|
? |
939 013 40
|
Harness Hydraulic oel |
1 |
InternKon: 939 010 40 / 2
|
|
|
|
? |
939 015 40
|
Junction box assy. 1X9 |
1 |
InternKon: 939 010 40 / 3
|
|
|
|
? |
939 016 40
|
Harness PVG-Suction tank |
1 |
InternKon: 939 010 40 / 4
|
|
|
|
? |
939 019 40
|
Harness Battery Heater 1R4-1X3 |
1 |
InternKon: 939 010 40 / 5
|
|
|
|
? |
655 079 40
|
Cable 1.5 gr/ge |
-2 |
InternBDB: KENPUR-LITZE 1,5MM2 GRUEN/GELB 090150GG | InternKon: 939 012 40 / 1
|
|
|
|
? |
907 890 40
|
Cable 1,5sw |
-2 |
InternBDB: KENPUR-LITZE 1,5MM2 SCHWARZ 090150SW | InternKon: 939 012 40 / 2
|
|
|
|
? |
655 080 40
|
Cable 1,5 rt |
-2 |
InternBDB: KENPUR-LITZE 1,5MM2 ROT 090150RT | InternKon: 939 012 40 / 3
|
|
|
|
? |
655 696 40
|
Cable protection hose DN 29 |
-2 |
InternBDB: PMA NW 29 VCSG-29B | InternKon: 939 012 40 / 4
|
|
|
|
? |
655 652 40
|
Cable protection hose DN 23 |
-2 |
InternBDB: PMA NW 23 VCSG-23B | InternKon: 939 012 40 / 5
|
|
|
|
? |
655 651 40
|
Cable protection hose DN 17 |
-2 |
InternBDB: PMA NW 17 VCSG-17B | InternKon: 939 012 40 / 6
|
|
|
|
? |
655 650 40
|
Cable protection hose DN 12 |
-2 |
InternBDB: PMA NW 12 VCST-12B | InternKon: 939 012 40 / 7
|
|
|
|
? |
907 479 40
|
Cable union DN 29 |
1 |
InternBDB: PMA NW 29 GERADE BVNV-M329 | InternKon: 939 012 40 / 8
|
|
|
|
? |
635 042 40
|
Wire end ferrule 1,5 |
166 |
InternBDB: D=1,5 203124-20 CE015 U | InternKon: 939 012 40 / 9
|
|
|
|
? |
907 478 40
|
Cable union DN 17 |
13 |
InternBDB: PMA NW 17 GERADE BVNV-M207 | InternKon: 939 012 40 / 10
|
|
|
|
? |
655 629 40
|
T-Distributor DN 17 |
3 |
InternBDB: PMA NW 17 BFTL-171717GGG | InternKon: 939 012 40 / 11
|
|
|
|
? |
907 733 40
|
T-Distributor DN 23 |
3 |
InternBDB: PMA NW 23 BVTR-232323 | InternKon: 939 012 40 / 12
|
|
|
|
? |
906 079 40
|
T-Distributor DN 29 |
3 |
InternBDB: PMA NW 29 BFTL-292929GGG | InternKon: 939 012 40 / 13
|
|
|
|
? |
655 635 40
|
Pipe adapter DN 29/17 |
2 |
InternBDB: PMA NW 29/17 BAVR-29G17G | InternKon: 939 012 40 / 14
|
|
|
|
? |
655 634 40
|
Pipe adapter DN 23/17 |
6 |
InternBDB: PMA NW 23/17 BAVR-23G17G | InternKon: 939 012 40 / 15
|
|
|
|
? |
896 558 40
|
Pipe adapter DN 29/23 |
3 |
InternBDB: PMA NW 29/23 BAVR-29G23G | InternKon: 939 012 40 / 16
|
|
|
|
? |
655 810 40
|
Pipe adapter DN 29/12 |
1 |
InternBDB: PMA NW 29/12 BAVR-29G12T | InternKon: 939 012 40 / 17
|
|
|
|
? |
256 514 40
|
Plate |
10 |
InternKon: 939 012 40 / 18
|
|
|
|
? |
906 344 40
|
Cable green/yellow |
-2 |
InternBDB: KENPUR-LITZE 10,0MM2 GRUEN/GELB 091000GG | InternKon: 939 013 40 / 1
|
|
|
|
? |
907 890 40
|
Cable 1,5sw |
-2 |
InternBDB: KENPUR-LITZE 1,5MM2 SCHWARZ 090150SW | InternKon: 939 013 40 / 2
|
|
|
|
? |
907 479 40
|
Cable union DN 29 |
1 |
InternBDB: PMA NW 29 GERADE BVNV-M329 | InternKon: 939 013 40 / 4
|
|
|
|
? |
907 501 40
|
Wire end ferrule 10 qmm |
2 |
InternBDB: 10,0MM2 CE103D, 203178.16 | InternKon: 939 013 40 / 8
|
|
|
|
? |
795 134 73
|
Plug assy. |
1 |
InternBDB: 000819213920KES 08192 | InternKon: 939 019 40 / 3
|
|
|
|
? |
907 692 40
|
Fitting PG 9 |
2 |
InternBDB: PMAM16/NW12 BVIR-M162 | InternKon: 939 019 40 / 4
|
|
|
|
? |
907 703 40
|
Cable union |
2 |
InternBDB: Pflitsch 21650YNPM4X3 | InternKon: 939 019 40 / 5
|
|
|
|
? |
896 520 40
|
End pin |
1 |
InternBDB: BO 3,0X25 | InternKon: 939 019 40 / 6
|
|
|
|
? |
635 043 40
|
Name plate |
1 |
InternBDB: BS5 NR.55476 | InternKon: 939 019 40 / 7
|
|
|
|
? |
056 292 40
|
Cable strap |
1 |
InternBDB: TY 23 M | InternKon: 939 019 40 / 8
|
|
|
|
? |
655 873 40
|
Cable 1,5 |
-2 |
InternBDB: KENPUR-LITZE 1,5MM2 BLAU 090150BL | InternKon: 939 019 40 / 10
|
|
|
|
? |
655 630 40
|
T-Distributor DN 29/23 |
1 |
InternBDB: PMA NW 29/23 BFTL-292323GGG | InternKon: 939 016 40 / 4
|
|
|
|
? |
907 890 40
|
Cable 1,5sw |
153 |
InternBDB: KENPUR-LITZE 1,5MM2 SCHWARZ 090150SW | InternKon: 939 016 40 / 11
|
|
|
|
? |
551 925 40
|
Housing emty |
2 |
InternBDB: LEERGEHAEUSE A 130 ALU | InternKon: 939 015 40 / 1
|
|
|
|
? |
505 940 99
|
Assembly rail |
-2 |
InternKon: 939 015 40 / 2
|
|
|
|
? |
319 056 99
|
Screw |
2 |
InternBDB: M 6 X 8 5.8 DIN 00084 | InternKon: 939 015 40 / 3
|
|
|
|
? |
940 673 40
|
Clamp |
2 |
InternBDB: 1SNA206351R1600 BAM2 | InternKon: 939 015 40 / 4
|
|
|
|
? |
906 612 40
|
Through clamp 2.5 |
21 |
InternBDB: WAGO 2,5MM2 870-531 | InternKon: 939 015 40 / 5
|
|
|
|
? |
906 630 40
|
Protective wire clip |
4 |
InternBDB: WAGO 870-537 2,5 MM2 | InternKon: 939 015 40 / 6
|
|
|
|
? |
906 793 40
|
Protective wire clip 10,0 |
1 |
InternBDB: WAGO 284-907 10,0 MM2 | InternKon: 939 015 40 / 7
|
|
|
|
? |
906 614 40
|
Bridge 2-fold |
4 |
InternBDB: WAGO 2-FACH 870-402 2,5 MM2 | InternKon: 939 015 40 / 8
|
|
|
|
? |
906 772 40
|
Cover plate |
1 |
InternBDB: WAGO 6MM2 282-325 | InternKon: 939 015 40 / 9
|
|
|
|
? |
906 624 40
|
Marker |
1 |
InternBDB: WAGO 248-502 1... 10 | InternKon: 939 015 40 / 10
|
|
|
|
? |
906 625 40
|
Marker |
1 |
InternBDB: WAGO 248-503 11... 20 | InternKon: 939 015 40 / 11
|
|
|
|
? |
906 626 40
|
Marker |
1 |
InternBDB: WAGO 248-504 21... 30 | InternKon: 939 015 40 / 12
|
|
|
|
? |
906 627 40
|
Marker |
1 |
InternBDB: WAGO 248-505 31... 40 | InternKon: 939 015 40 / 13
|
|
|
|
? |
906 628 40
|
Marker |
1 |
InternBDB: WAGO 248-506 41... 50 | InternKon: 939 015 40 / 14
|
|