|
|
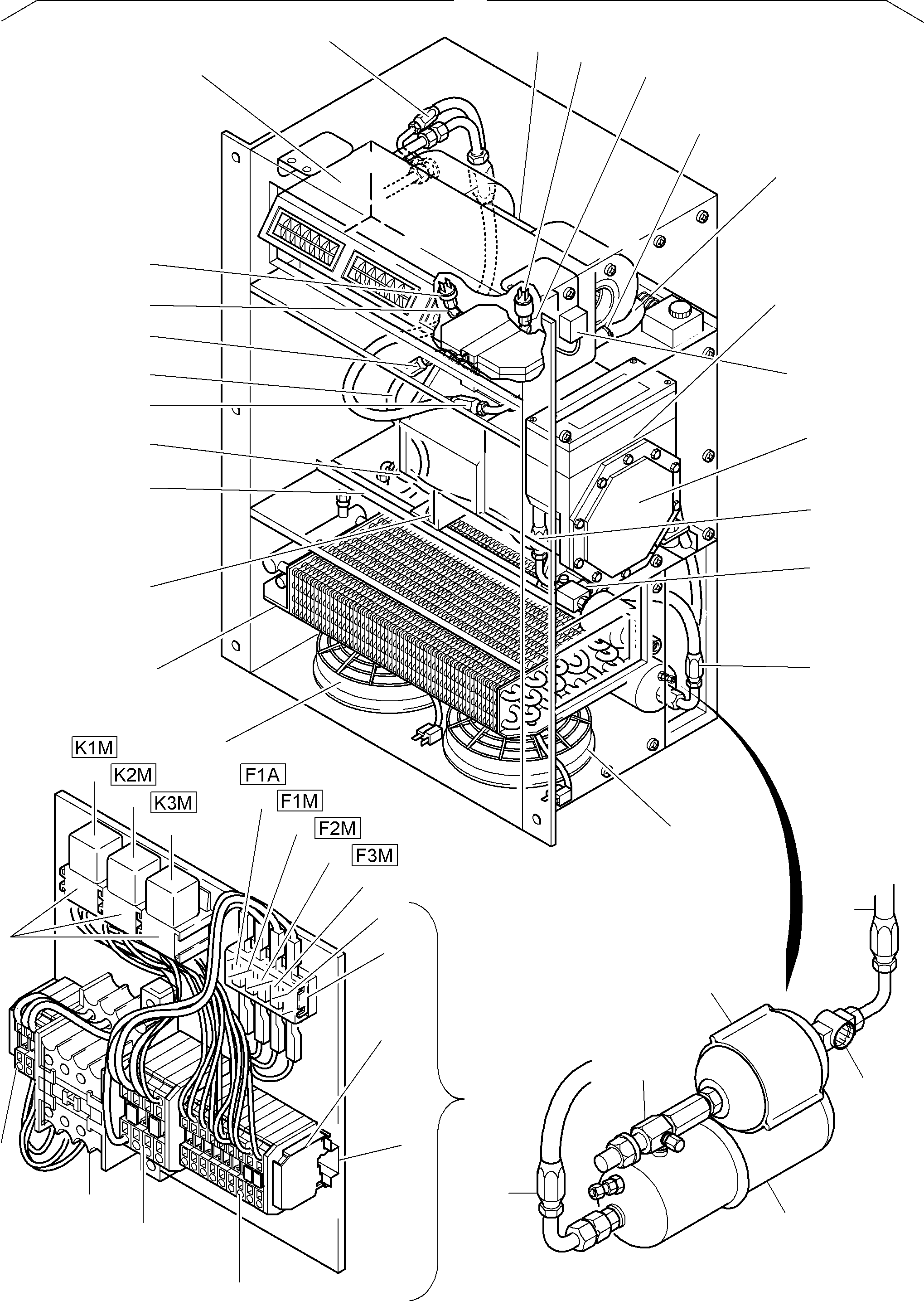
01 |
795 963 73
|
Compact air condition. equipm. |
1 |
InternBDB: SÑŒtrak 01.11.03.001-00/R 134 a/380-420V50Hz3PH
|
|
|
|
02 |
765 694 73
|
Condenser |
1 |
InternBDB: 24.02.11.001
|
|
|
|
03 |
794 139 73
|
Compressor |
1 |
InternBDB: 75.50.02.134/ 380-420V 50Hz
|
|
|
|
04 |
794 140 73
|
Add. evaporator |
1 |
InternBDB: 24.03.11.053 R 134 A V2500
|
|
|
|
05 |
765 697 73
|
Condenser fan |
2 |
InternBDB: 28.21.01.007
|
|
|
|
06 |
765 115 73
|
Receiver tank |
1 |
InternBDB: 24.05.01.011
|
|
|
|
07 |
765 698 73
|
Filter drier |
1 |
InternBDB: 24.06.01.011
|
|
|
|
08 |
765 116 73
|
Inspection glass |
1 |
InternBDB: 24.07.12.011
|
|
|
|
09 |
765 117 73
|
Relay |
3 |
InternBDB: 26.01.17.107
|
|
|
|
12 |
765 159 73
|
Base |
3 |
InternBDB: 26.01.19.001
|
|
|
|
13 |
765 701 73
|
Contactor |
1 |
InternBDB: 26.01.10.106
|
|
|
|
14 |
765 305 73
|
Fuse box |
1 |
InternBDB: 26.05.11.041
|
|
|
|
15 |
765 702 73
|
Fuse 10 A |
4 |
InternBDB: 26.05.05.244
|
|
|
|
16 |
765 703 73
|
Fuse 20 A |
1 |
InternBDB: 26.05.05.246
|
|
|
|
17 |
769 123 73
|
Blower grid |
2 |
InternBDB: 20.08.09.029
|
|
|
|
18 |
505 940 99
|
Assembly rail |
-2 |
|
|
|
|
19 |
794 527 73
|
Blower engine |
1 |
InternBDB: 28.20.01.047
|
|
|
|
20 |
795 965 73
|
Switch plate assy. |
1 |
InternBDB: 60.50.18.023-00
|
|
|
|
23 |
255 891 40
|
Hose DN6 |
-2 |
|
|
|
|
24 |
655 730 40
|
Hose DN13 |
-2 |
|
|
|
|
25 |
269 412 40
|
Hose DN10 |
-2 |
|
|
|
|
26 |
270 813 40
|
Socket |
3 |
InternBDB: 22.25.30.103 / G 1210-6
|
|
|
|
27 |
794 141 73
|
Angle |
2 |
InternBDB: 24.09.05.010 7/16 UNF
|
|
|
|
28 |
255 008 40
|
Socket |
2 |
InternBDB: 22.25.30.105 / G 1210-10
|
|
|
|
29 |
270 816 40
|
Nipple 90 ° |
3 |
InternBDB: 22.25.34.102 / G 185302-6
|
|
|
|
30 |
794 142 73
|
Double nut |
1 |
InternBDB: 17.18.01.012 5/8-18 UNF
|
|
|
|
31 |
270 818 40
|
Nipple 90 ° |
2 |
InternBDB: 22.25.34.114 / G 185296-10
|
|
|
|
32 |
794 994 73
|
High pressure switch |
1 |
InternBDB: 78.05.01.016
|
|
|
|
33 |
794 993 73
|
Low pressure switch |
1 |
InternBDB: 78.05.01.017
|
|
|
|
34 |
766 216 73
|
Seal ring |
2 |
InternBDB: 32.23.26.230
|
|
|
|
35 |
794 131 73
|
Thermostat |
1 |
InternBDB: 26.03.15.001
|
|
|
|
36 |
794 132 73
|
Thermostat |
1 |
InternBDB: 26.09.01.010
|
|
|
|
37 |
794 143 73
|
Nipple 45 ° |
1 |
InternBDB: 22.25.34.067
|
|
|
|
38 |
334 599 99
|
Nut |
4 |
InternBDB: M 8 /985
|
|
|
|
39 |
340 464 99
|
Washer |
4 |
InternBDB: 8,4 /125
|
|
|
|
40 |
794 144 73
|
Shock absorber |
4 |
InternBDB: 30.13.02.050 /D30 H15 M8 46 NBR 68
|
|
|
|
41 |
007 666 98
|
Clamp |
1 |
InternBDB: 1S 18x12
|
|
|
|
42 |
765 307 73
|
Through clamp |
12 |
InternBDB: 26.21.01.012
|
|
|
|
43 |
794 145 73
|
Through clamp |
4 |
InternBDB: 26.21.01.016
|
|
|
|
44 |
769 564 73
|
Clamp |
2 |
InternBDB: 26.21.03.020
|
|
|
|
50 |
795 964 73
|
Compact air condition. equipm. |
1 |
InternBDB: SÑŒtrak 01.11.03.002-00/R 134 a/440-480V60Hz3PH
|
|
|
|
51 |
794 699 73
|
Compressor |
1 |
InternBDB: 75.50.02.141/ 2HC-1.2Y/440-480V60Hz3PH
|
|