|
|
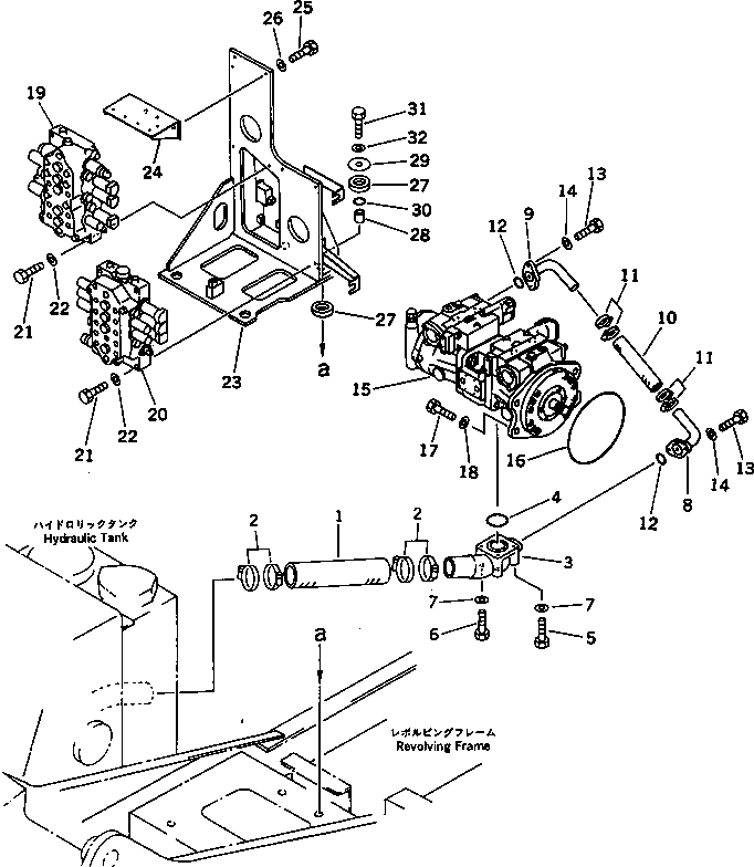
1 |
07260-25825
|
HOSE |
1 |
SN: 28001-UP
|
|
|
|
2 |
07281-00809
|
CLAMP |
4 |
SN: 28001-UP
|
|
|
|
3 |
201-62-65430
|
ELBOW |
1 |
SN: 28001-UP
|
|
|
|
4 |
07000-02060
|
O-RING |
1 |
SN: 28001-UP
|
|
|
|
5 |
01010-51075
|
BOLT |
2 |
SN: 28001-UP
|
|
|
|
6 |
01010-51090
|
BOLT |
2 |
SN: 28001-UP
|
|
|
|
7 |
01643-31032
|
WASHER |
4 |
SN: 28001-UP
|
|
|
|
8 |
201-62-65450
|
TUBE |
1 |
SN: 28001-UP
|
|
|
|
9 |
201-62-65460
|
TUBE |
1 |
SN: 28001-UP
|
|
|
|
10 |
07260-02616
|
HOSE |
1 |
SN: 28001-UP
|
|
|
|
11 |
07281-00419
|
CLAMP |
4 |
SN: 28001-UP
|
|
|
|
12 |
07000-03028
|
O-RING |
2 |
SN: 28001-UP
|
|
|
|
13 |
01010-51030
|
BOLT |
4 |
SN: 28001-UP
|
|
|
|
14 |
01643-31032
|
WASHER |
4 |
SN: 28001-UP
|
|
|
|
15 |
708-21-04013
|
PUMP ASS'Y,(SEE FIG.6103) |
1 |
SN: 34101-UP
|
|
|
|
|15 |
708-21-04012
|
PUMP ASS'Y,(SEE FIG.6103) |
1 |
SN: 28001-34100
|
|
|
|
15 |
708-21-04011
|
PUMP ASS'Y,(SEE FIG.6103) |
1 |
SN: (28001-31027)
|
|
|
|
16 |
07000-05195
|
O-RING |
1 |
SN: 28001-UP
|
|
|
|
17 |
01010-51240
|
BOLT |
4 |
SN: 28001-UP
|
|
|
|
18 |
01643-31232
|
WASHER |
4 |
SN: 28001-UP
|
|
|
|
19 |
709-26-13104
|
VALVE ASS'Y,L.H. (SEE FIG.6201) |
1 |
SN: 35073-UP
|
|
|
|
|19 |
709-26-13103
|
VALVE ASS'Y,L.H. (SEE FIG.6201) |
1 |
SN: 34101-35072
|
|
|
|
|19 |
709-26-13102
|
VALVE ASS'Y,L.H. (SEE FIG.6201) |
1 |
SN: 32534-34100
|
|
|
|
|19 |
709-26-13101
|
VALVE ASS'Y,L.H. (SEE FIG.6201) |
1 |
SN: 28001-32533
|
|
|
|
20 |
709-25-13303
|
VALVE ASS'Y,R.H. (SEE FIG.6231) |
1 |
SN: 35073-UP
|
|
|
|
|20 |
709-25-13302
|
VALVE ASS'Y,R.H. (SEE FIG.6231) |
1 |
SN: 34101-35072
|
|
|
|
|20 |
709-25-13301
|
VALVE ASS'Y,R.H. (SEE FIG.6231) |
1 |
SN: 32534-34100
|
|
|
|
|20 |
709-25-13300
|
VALVE ASS'Y,R.H. (SEE FIG.6231) |
1 |
SN: 28001-32533
|
|
|
|
21 |
01010-51055
|
BOLT |
6 |
SN: 28001-UP
|
|
|
|
22 |
01643-31032
|
WASHER |
6 |
SN: 28001-UP
|
|
|
|
23 |
201-62-65750
|
BRACKET |
1 |
SN: 34101-UP
|
|
|
|
|23 |
201-62-65330
|
BRACKET |
1 |
SN: 28001-34100
|
|
|
|
24 |
201-62-65640
|
BRACKET |
1 |
SN: 28001-UP
|
|
|
|
25 |
01010-51025
|
BOLT |
2 |
SN: 28001-UP
|
|
|
|
26 |
01643-31032
|
WASHER |
2 |
SN: 28001-UP
|
|
|
|
27 |
203-62-42770
|
CUSHION |
8 |
SN: 28001-UP
|
|
|
|
28 |
20X-62-21550
|
SPACER |
4 |
SN: 28001-UP
|
|
|
|
29 |
566-35-42430
|
PLATE |
4 |
SN: 28001-UP
|
|
|
|
30 |
07000-03025
|
O-RING |
4 |
SN: 28001-UP
|
|
|
|
31 |
01010-51250
|
BOLT |
4 |
SN: 28001-UP
|
|
|
|
32 |
01643-31232
|
WASHER |
4 |
SN: 28001-UP
|
|