Find books across the catalog from one place.
This page is prepared as the search workspace. The search behavior itself can be connected in the next step.
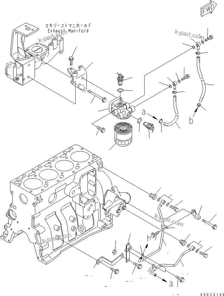
6212611203.CORROSION RESISTOR(#26323391-) (A5210-01B7) in SAA4D102E-2G-4 S/N 26274903-UP. Diagram image and parts list.
Test text. Dear users! Access to the special equipment catalogs is paid. You can review the service usage rules and tariffs on the page!