Find books across the catalog from one place.
This page is prepared as the search workspace. The search behavior itself can be connected in the next step.
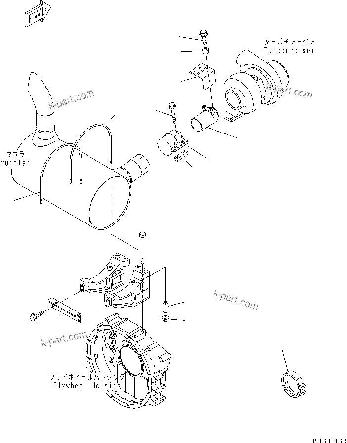
6212611203.MUFFLER MOUNTING(#26288402-) (B9999-01N5) in SAA6D102E-2FF-8 S/N 26274903-UP. Diagram image and parts list.
Test text. Dear users! Access to the special equipment catalogs is paid. You can review the service usage rules and tariffs on the page!