Find books across the catalog from one place.
This page is prepared as the search workspace. The search behavior itself can be connected in the next step.
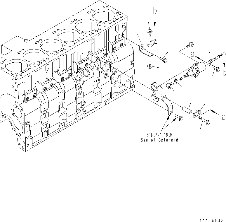
6212611203.SOLENOID MOUNTING(#26801989-) (A4510-01A3) in SAA6D114E-2CC-8M S/N 26800003-UP. Diagram image and parts list.
Test text. Dear users! Access to the special equipment catalogs is paid. You can review the service usage rules and tariffs on the page!