Find books across the catalog from one place.
This page is prepared as the search workspace. The search behavior itself can be connected in the next step.
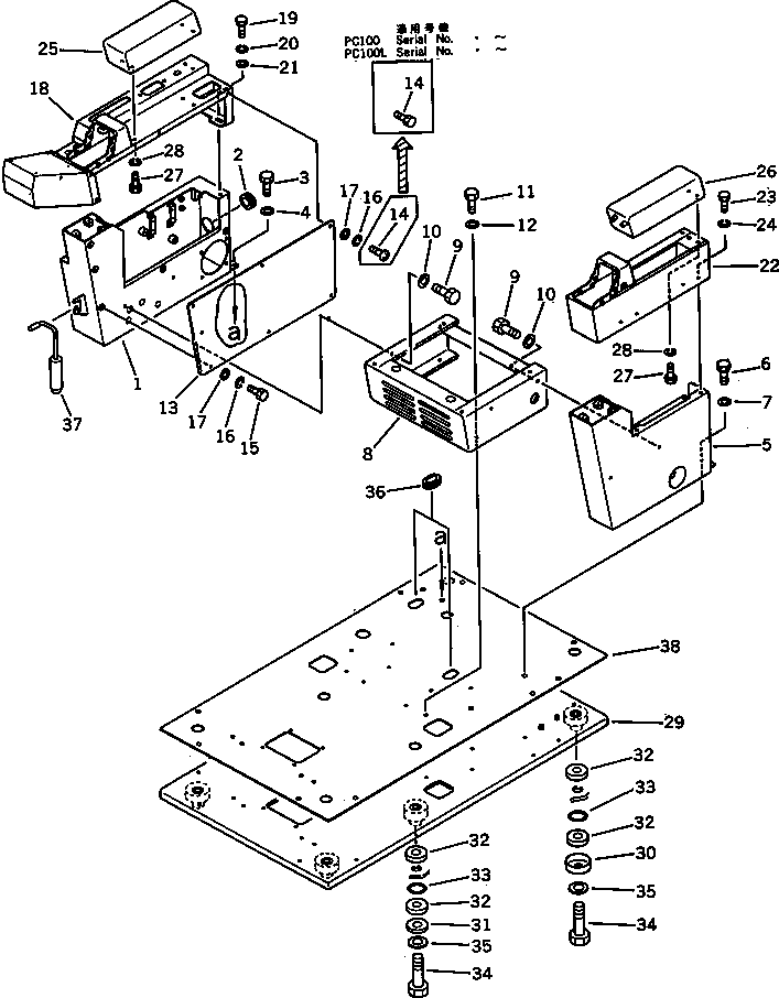
6212611203.OPERATOR'S CAB ? FLOOR FRAME (FOR WRIST CONTROL)(#18283-21099) (5311A) in PC120S-3 S/N 18001-UP. Diagram image and parts list.
Test text. Dear users! Access to the special equipment catalogs is paid. You can review the service usage rules and tariffs on the page!