Find books across the catalog from one place.
This page is prepared as the search workspace. The search behavior itself can be connected in the next step.
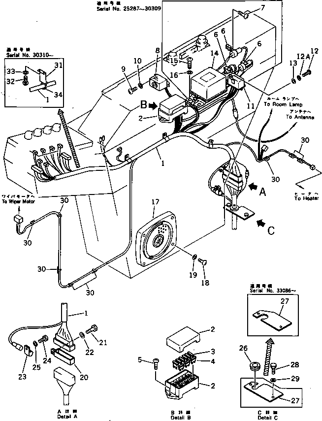
6212611203.INSTRUMENT PANEL(2/2)(FOR WRIST CONTROL)(WITH AUTO DECELERATION ? SWING MECHANICAL BRAKE ? 3-STAGE)(#21556-) (1417A) in PC220LC-3 S/N 20001-UP. Diagram image and parts list.
Test text. Dear users! Access to the special equipment catalogs is paid. You can review the service usage rules and tariffs on the page!