Search in all models by partnumber
Search current book

Komatsu PC220LC-3 S/N 20001-UP parts catalog PDF

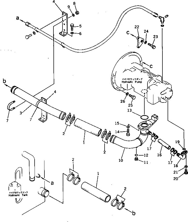
HYDRAULIC PIPING (TANK TO PUMP)(#23624-) (6501A) in PC220LC-3 S/N 20001-UP. Diagram image and parts list.

Model manual types and quick links