Find books across the catalog from one place.
This page is prepared as the search workspace. The search behavior itself can be connected in the next step.
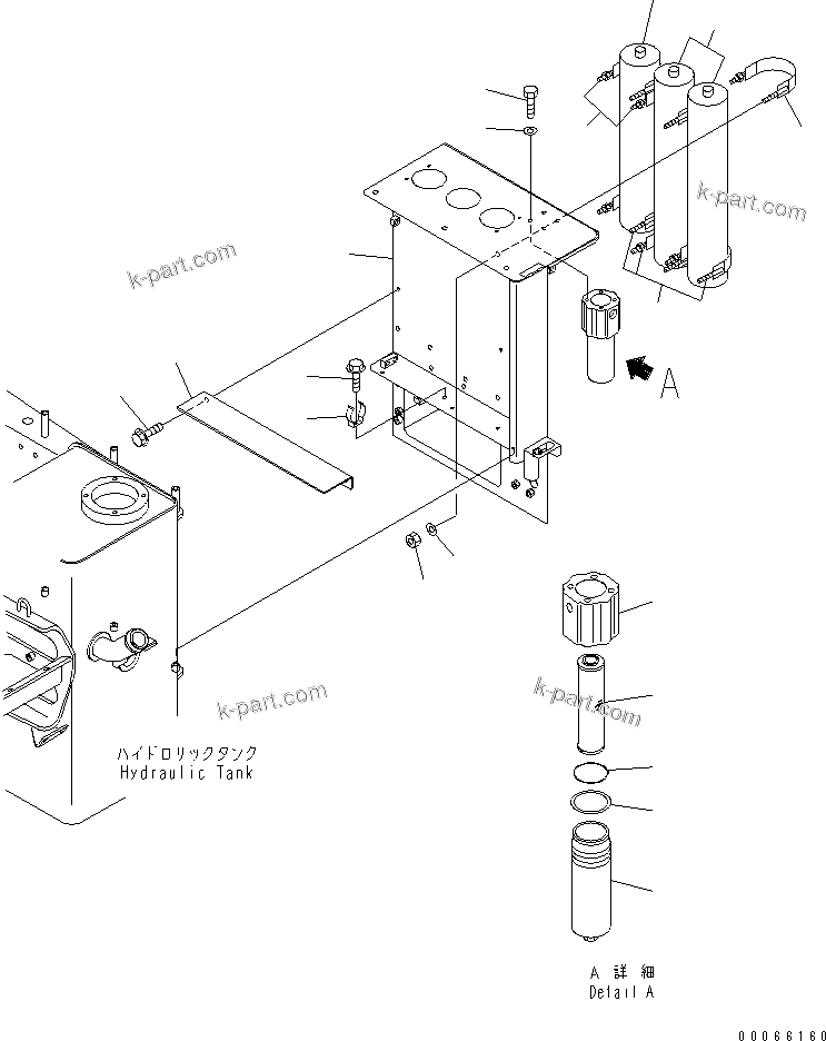
6212611203.ACCUMULATOR PIPING (ACCUMULATOR)(#15025-) (H0100-24B0) in HD465-7R S/N 15001-15351 (W/O EGR). Diagram image and parts list.
Test text. Dear users! Access to the special equipment catalogs is paid. You can review the service usage rules and tariffs on the page!