Find books across the catalog from one place.
This page is prepared as the search workspace. The search behavior itself can be connected in the next step.
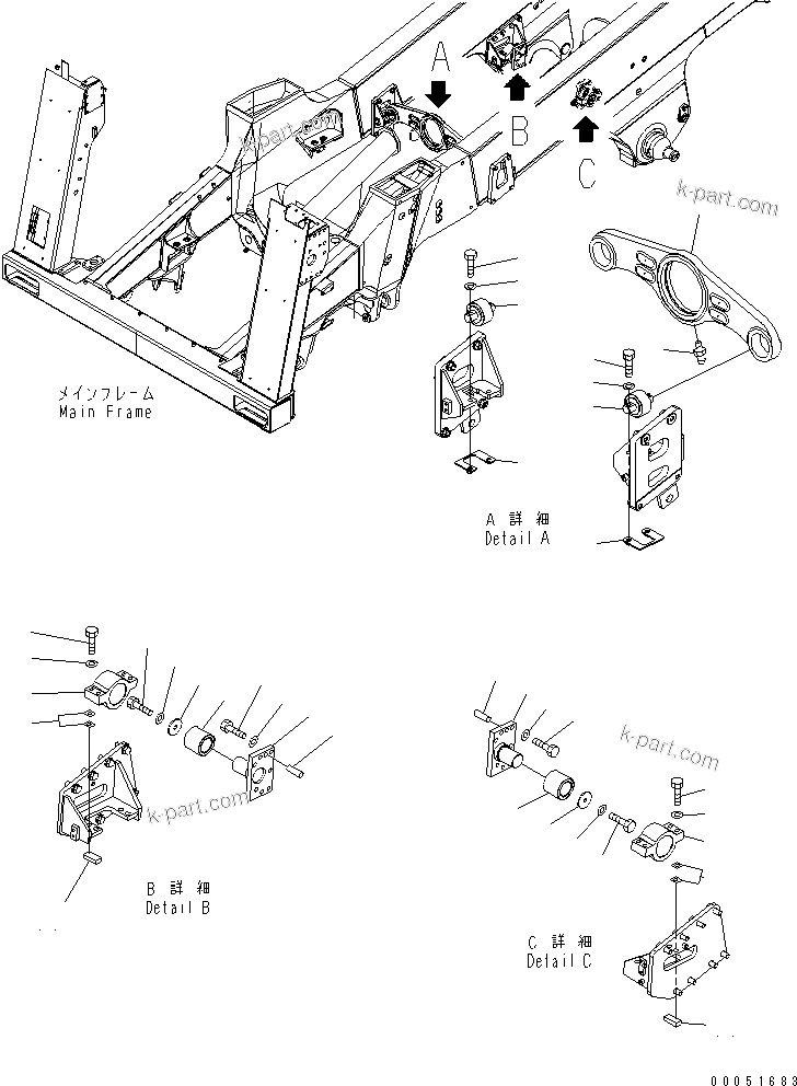
6212611203.TRANSMISSION MOUNTING PARTS(#7001-7168) (F3810-01A0) in HD785-7 S/N 7001-8172. Diagram image and parts list.
Test text. Dear users! Access to the special equipment catalogs is paid. You can review the service usage rules and tariffs on the page!