|
|
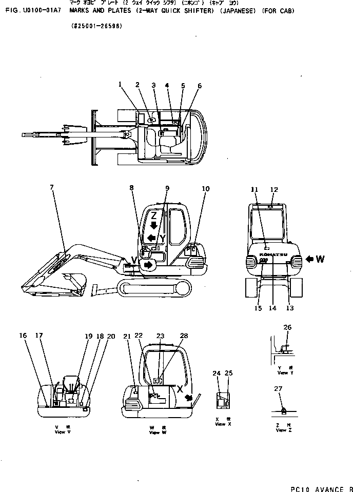
1 |
20P-54-71540
|
SEAT,NONSKID |
1 |
SN: 25001-@
|
|
|
|
2 |
20T-98-71370
|
PLATE ? OPERATING,HOOD OPEN |
1 |
SN: 25001-@
|
|
|
|
3 |
20P-98-71130
|
PLATE ? OPERATING,FUSE BOX |
1 |
SN: 25001-@
|
|
|
|
4 |
20T-98-71380
|
PLATE ? CAUTION,FUEL TANK |
1 |
SN: 25001-@
|
|
|
|
5 |
362-54-38150
|
PLATE ? OPERATING,STARTING SWITCH |
1 |
SN: 25001-@
|
|
|
|
6 |
20N-98-71310
|
PLATE ? CAUTION,STARTING AND AFTER OPERATING |
1 |
SN: 25001-@
|
|
|
|
7 |
20P-98-71120
|
PLATE ? MARK,KOMATSU |
1 |
SN: 25001-26598
|
|
|
|
8 |
20N-98-71130
|
PLATE ? OPERATING,LOCK LEVER |
1 |
SN: 25001-@
|
|
|
|
9 |
20T-98-71160
|
PLATE ? MARK,AVANCE R |
1 |
SN: 25001-26598
|
|
|
|
10 |
20N-98-71210
|
PLATE ? MARK,PC10 |
1 |
SN: 25001-26598
|
|
|
|
11 |
20T-98-71410
|
PLATE ? CAUTION,FUEL FILTER |
1 |
SN: 25001-@
|
|
|
|
12 |
205-00-63230
|
PLATE ? CAUTION,AUTO LOCK |
1 |
SN: 25001-@
|
|
|
|
13 |
20T-98-71360
|
PLATE ? CAUTION,HOOD OPEN |
1 |
SN: 25001-@
|
|
|
|
14 |
20P-98-71110
|
PLATE ? MARK,KOMATSU |
1 |
SN: 25001-26598
|
|
|
|
15 |
20T-98-71350
|
PLATE ? CAUTION,KEEP OUT OF TURNING AREA |
1 |
SN: 25001-@
|
|
|
|
16 |
20T-98-71420
|
PLATE ? CAUTION,GREASE |
1 |
SN: 25001-@
|
|
|
|
17 |
09685-00002
|
PLATE ? OPERATING,SWING LOCK LEVER |
1 |
SN: 25001-@
|
|
|
|
18 |
20N-98-71322
|
PLATE ? DATA |
1 |
SN: 25001-@
|
|
|
|
|18 |
20N-98-71321
|
PLATE ? DATA |
1 |
SN: (25001-26679)
|
|
|
|
19 |
20N-98-71330
|
PLATE ? OPERATING,PATTERN |
1 |
SN: 25001-@
|
|
|
|
20 |
09601-00835
|
PLATE ? NAME,(LIMITED SUPPLY) |
1 |
SN: 25001-@
|
|
|
|
|20 |
04418-13060
|
SCREW |
4 |
SN: 25001-@
|
|
|
|
21 |
09668-00100
|
PLATE ? SAFETY,RADIATOR CAP |
1 |
SN: 25001-@
|
|
|
|
22 |
20N-98-71220
|
PLATE ? MARK,PC10 |
1 |
SN: 25001-26598
|
|
|
|
23 |
20N-98-71521
|
PLATE ? OPERATING,PATTERN |
1 |
SN: 25001-@
|
|
|
|
24 |
20N-98-71340
|
CHART ? OIL |
1 |
SN: 25001-@
|
|
|
|
25 |
20T-98-71390
|
PLATE ? CAUTION,HYDRAULIC TANK CAP |
1 |
SN: 25001-@
|
|
|
|
26 |
203-00-52190
|
PLATE ? CAUTION,WIPER MOTOR CONNECTOR |
1 |
SN: 25001-@
|
|
|
|
27 |
205-00-71340
|
PLATE ? OPERATING,DOOR LOCK |
1 |
SN: 25001-@
|
|
|
|
28 |
20N-98-71530
|
PLATE ? OPERATING,(POWER TILT MECH.ANGLE BLADE) |
1 |
SN: 25001-@
|
|