|
|
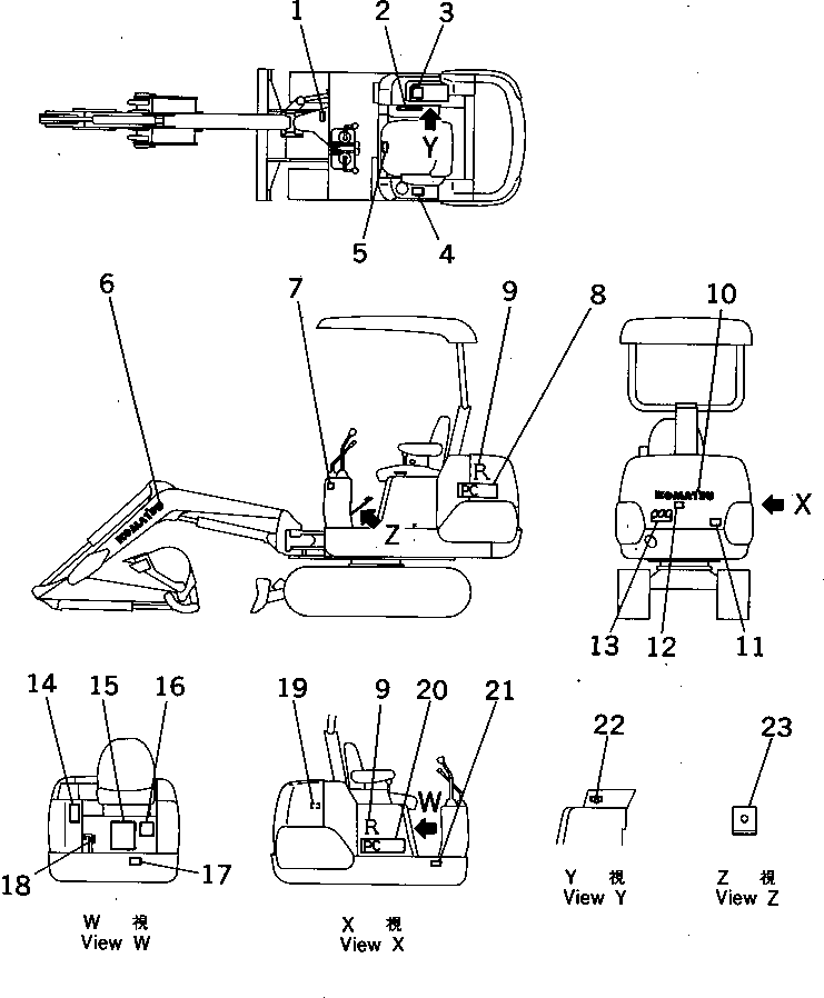
1 |
20T-98-22250
|
PLATE ? OPERATING,BOOM SWING |
1 |
SN: 3001-UP
|
|
|
|
2 |
20M-98-71330
|
PLATE ? OPERATING,BLADE AND ENGINE |
1 |
SN: 3001-UP
|
|
|
|
3 |
20M-98-71310
|
PLATE ? CAUTION,BEFORE OPERATING |
1 |
SN: 3001-UP
|
|
|
|
4 |
20M-98-71380
|
PLATE ? CAUTION,FUEL TANK |
1 |
SN: 3001-UP
|
|
|
|
5 |
20N-06-71440
|
PLATE ? NAME,FUSE |
1 |
SN: 3001-UP
|
|
|
|
6 |
09690-C0250
|
PLATE ? MARK,KOMATSU |
1 |
SN: 4373-UP
|
|
|
|
7 |
20N-98-71130
|
PLATE ? OPERATING,LOCK LEVER |
1 |
SN: 3001-UP
|
|
|
|
8 |
20W-98-21221
|
PLATE ? MARK,PC07 |
1 |
SN: 4373-UP
|
|
|
|
9 |
20T-98-71160
|
PLATE ? MARK,AVANCE R |
2 |
SN: 4373-UP
|
|
|
|
10 |
09690-C0200
|
PLATE ? MARK,KOMATSU |
1 |
SN: 4373-UP
|
|
|
|
11 |
20M-98-71110
|
PLATE ? CAUTION,HOOD OPEN |
1 |
SN: 3001-UP
|
|
|
|
12 |
20T-98-71410
|
PLATE ? CAUTION,FUEL FILTER |
1 |
SN: 3001-UP
|
|
|
|
13 |
20M-98-71130
|
PLATE ? CAUTION,KEEP OUT OF TURNING AREA |
1 |
SN: 3001-UP
|
|
|
|
14 |
20M-98-71160
|
PLATE ? CAUTION,HYDRAULIC TANK CAP |
1 |
SN: 3001-UP
|
|
|
|
15 |
20M-98-71170
|
CHART ? OIL |
1 |
SN: 3001-UP
|
|
|
|
16 |
20W-98-21321
|
PLATE ? DATA |
1 |
SN: 3001-UP
|
|
|
|
17 |
09601-00835
|
PLATE ? NAME,(LIMITED SUPPLY) |
1 |
SN: 3001-UP
|
|
|
|
|17 |
04418-13060
|
SCREW |
4 |
SN: 3001-UP
|
|
|
|
18 |
09685-00002
|
PLATE ? OPERATING,SWING LOCK LEVER |
1 |
SN: 3001-UP
|
|
|
|
19 |
09668-00100
|
PLATE ? SAFETY,RADIATOR CAP |
1 |
SN: 3001-UP
|
|
|
|
20 |
20W-98-21211
|
PLATE ? MARK,PC07 |
1 |
SN: 4373-UP
|
|
|
|
21 |
20T-98-71420
|
PLATE ? CAUTION,GREASE |
1 |
SN: 3001-UP
|
|
|
|
22 |
09683-01060
|
PLATE ? OPERATING,STARTING SWITCH |
1 |
SN: 3001-UP
|
|
|
|
23 |
20M-98-73150
|
PLATE ? OPERATING,ISO PATTERN |
1 |
SN: 3001-UP
|
|