|
|
? |
6711-71-1024
|
PT FUEL PUMP ASS'Y |
1 |
SN: 194096-UP
|
|
|
|
? |
6711-71-1025
|
PT FUEL PUMP ASS'Y |
1 |
SN: 190871-194095
|
|
|
|
? |
6711-71-1023
|
PT FUEL PUMP ASS'Y |
1 |
SN: 155379-190870
|
|
|
|
? |
6711-71-1022
|
PT FUEL PUMP ASS'Y |
1 |
SN: 139838-155378
|
|
|
|
? |
6711-71-1111
|
PT FUEL PUMP ASS'Y,(D80F-18 FARM TRACTOR SPEC.) |
1 |
SN: 157067-UP
|
|
|
|
? |
|
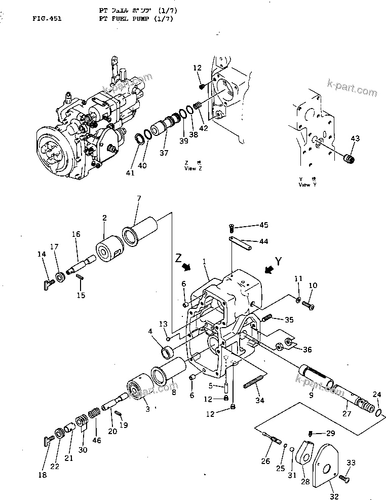
THESE ASSEMBLIES CONSIST OF ALL PARTS SHOWN IN FIGS.451 TO 457. |
-1 |
|
|
|
|
? |
6710-73-1011
|
HOUSING ASS'Y,FUEL PUMP |
1 |
SN: 151243-UP
|
|
|
|
? |
6710-73-1010
|
HOUSING ASS'Y,FUEL PUMP |
1 |
SN: 139838-151242
|
|
|
|
? |
6710-73-1020
|
HOUSING ASS'Y |
1 |
SN: 139838-UP
|
|
|
|
? |
|
HOUSING |
1 |
SN: 139838-UP
|
|
|
|
? |
6710-73-3031
|
BARREL ASS'Y,UPPER |
1 |
SN: 151243-UP
|
|
|
|
? |
6710-73-3030
|
BARREL ASS'Y,UPPER |
1 |
SN: 139838-151242
|
|
|
|
? |
|
BARREL |
1 |
SN: 151243-UP
|
|
|
|
? |
|
BARREL |
1 |
SN: 139838-151242
|
|
|
|
? |
|
SLEEVE |
1 |
SN: 139838-UP
|
|
|
|
? |
6610-71-1030
|
BARREL ASS'Y,LOWER |
1 |
SN: 139838-UP
|
|
|
|
? |
|
BARREL |
1 |
SN: 139838-UP
|
|
|
|
? |
|
SLEEVE |
1 |
SN: 139838-UP
|
|
|
|
? |
6610-71-1120
|
BUSHING,SERVICE METER DRIVE |
1 |
SN: 139838-UP
|
|
|
|
? |
6610-71-1180
|
CLIP |
1 |
SN: 139838-UP
|
|
|
|
? |
6610-71-1151
|
RING |
2 |
SN: 139838-UP
|
|
|
|
? |
6610-71-3210
|
HOUSING,UPPER |
1 |
SN: 139838-UP
|
|
|
|
? |
6710-71-1140
|
HOUSING,LOWER |
1 |
SN: 139838-UP
|
|
|
|
? |
6710-71-1130
|
SLEEVE |
1 |
SN: 139838-UP
|
|
|
|
? |
6710-71-1840
|
SCREW |
1 |
SN: 139838-UP
|
|
|
|
? |
6710-81-8730
|
WASHER |
1 |
SN: 139838-UP
|
|
|
|
? |
02720-40204
|
PLUG |
4 |
SN: 139838-UP
|
|
|
|
? |
6710-71-1720
|
BALL |
3 |
SN: 139838-UP
|
|
|
|
? |
6710-73-3040
|
PLUNGER ASS'Y,RED |
1 |
SN: 139838-UP
|
|
|
|
? |
6710-79-3040
|
PLUNGER ASS'Y,BLUE |
1 |
SN: 139838-UP
|
|
|
|
? |
6710-78-3040
|
PLUNGER ASS'Y,GREEN |
1 |
SN: 139838-UP
|
|
|
|
? |
6710-77-3040
|
PLUNGER ASS'Y,YELLOW |
1 |
SN: 139838-UP
|
|
|
|
? |
6710-76-3040
|
PLUNGER ASS'Y,ORANGE |
1 |
SN: 139838-UP
|
|
|
|
? |
6710-75-3040
|
PLUNGER ASS'Y,BLACK |
1 |
SN: 139838-UP
|
|
|
|
? |
6610-71-1430
|
DRIVE |
1 |
SN: 139838-UP
|
|
|
|
? |
6710-71-3240
|
PIN |
1 |
SN: 139838-UP
|
|
|
|
? |
6710-71-3360
|
PLUNGER,RED |
1 |
SN: 139838-UP
|
|
|
|
? |
6710-79-3360
|
PLUNGER,BLUE |
1 |
SN: 139838-UP
|
|
|
|
? |
6710-78-3360
|
PLUNGER,GREEN |
1 |
SN: 139838-UP
|
|
|
|
? |
6710-77-3360
|
PLUNGER,YELLOW |
1 |
SN: 139838-UP
|
|
|
|
? |
6710-76-3360
|
PLUNGER,ORANGE |
1 |
SN: 139838-UP
|
|
|
|
? |
6710-75-3360
|
PLUNGER,BLACK |
1 |
SN: 139838-UP
|
|
|
|
? |
6710-71-3220
|
WASHER |
1 |
SN: 139838-UP
|
|
|
|
? |
6711-71-1401
|
PLUNGER ASS'Y,RED |
1 |
SN: .-UP
|
|
|
|
? |
6711-71-1400
|
PLUNGER ASS'Y,RED |
1 |
SN: 139838-.
|
|
|
|
? |
6711-79-1401
|
PLUNGER ASS'Y,BLUE |
1 |
SN: .-UP
|
|
|
|
? |
6711-79-1400
|
PLUNGER ASS'Y,BLUE |
1 |
SN: 139838-.
|
|
|
|
? |
6711-78-1401
|
PLUNGER ASS'Y,GREEN |
1 |
SN: .-UP
|
|
|
|
? |
6711-78-1400
|
PLUNGER ASS'Y,GREEN |
1 |
SN: 139838-.
|
|
|
|
? |
6711-77-1401
|
PLUNGER ASS'Y,YELLOW |
1 |
SN: .-UP
|
|
|
|
? |
6711-77-1400
|
PLUNGER ASS'Y,YELLOW |
1 |
SN: 139838-.
|
|
|
|
? |
6711-76-1401
|
PLUNGER ASS'Y,ORANGE |
1 |
SN: .-UP
|
|
|
|
? |
6711-76-1400
|
PLUNGER ASS'Y,ORANGE |
1 |
SN: 139838-.
|
|
|
|
? |
6711-75-1401
|
PLUNGER ASS'Y,BLACK |
1 |
SN: .-UP
|
|
|
|
? |
6711-75-1400
|
PLUNGER ASS'Y,BLACK |
1 |
SN: 139838-.
|
|
|
|
? |
6711-74-1401
|
PLUNGER ASS'Y,GREY |
1 |
SN: .-UP
|
|
|
|
? |
6711-74-1400
|
PLUNGER ASS'Y,GREY |
1 |
SN: 139838-.
|
|
|
|
? |
6711-73-1401
|
PLUNGER ASS'Y,PURPLE |
1 |
SN: .-UP
|
|
|
|
? |
6711-73-1400
|
PLUNGER ASS'Y,PURPLE |
1 |
SN: 139838-.
|
|
|
|
? |
6610-71-1430
|
DRIVE |
1 |
SN: 139838-UP
|
|
|
|
? |
6610-71-1440
|
PIN |
1 |
SN: 139838-UP
|
|
|
|
? |
6710-71-1410
|
PLUNGER,RED |
1 |
SN: 139838-UP
|
|
|
|
? |
6710-79-1410
|
PLUNGER,BLUE |
1 |
SN: 139838-UP
|
|
|
|
? |
6710-78-1410
|
PLUNGER,GREEN |
1 |
SN: 139838-UP
|
|
|
|
? |
6710-77-1410
|
PLUNGER,YELLOW |
1 |
SN: 139838-UP
|
|
|
|
? |
6710-76-1410
|
PLUNGER,ORANGE |
1 |
SN: 139838-UP
|
|
|
|
? |
6710-75-1410
|
PLUNGER,BLACK |
1 |
SN: 139838-UP
|
|
|
|
? |
6710-74-1410
|
PLUNGER,GREY |
1 |
SN: 139838-UP
|
|
|
|
? |
6710-73-1410
|
PLUNGER,PURPLE |
1 |
SN: 139838-UP
|
|
|
|
? |
6610-71-1452
|
SPACER |
1 |
SN: 139838-UP
|
|
|
|
? |
6610-71-1420
|
WASHER |
1 |
SN: 139838-UP
|
|
|
|
? |
6610-71-1320
|
O-RING (K6) |
1 |
SN: 139838-UP
|
|
|
|
? |
6710-71-3150
|
O-RING (K6) |
1 |
SN: 139838-UP
|
|
|
|
? |
6710-71-1331
|
SCREW |
1 |
SN: 139838-UP
|
|
|
|
? |
6711-71-1300
|
SHAFT ASS'Y,RED |
1 |
SN: 139838-UP
|
|
|
|
? |
6711-79-1300
|
SHAFT ASS'Y,BLUE |
1 |
SN: 139838-UP
|
|
|
|
? |
6711-78-1300
|
SHAFT ASS'Y,GREEN |
1 |
SN: 139838-UP
|
|
|
|
? |
6711-77-1300
|
SHAFT ASS'Y,YELLOW |
1 |
SN: 139838-UP
|
|
|
|
? |
6711-76-1300
|
SHAFT ASS'Y,ORANGE |
1 |
SN: 139838-UP
|
|
|
|
? |
6711-75-1300
|
SHAFT ASS'Y,BLACK |
1 |
SN: 139838-UP
|
|
|
|
? |
6711-74-1300
|
SHAFT ASS'Y,GREY |
1 |
SN: 139838-UP
|
|
|
|
? |
6711-73-1300
|
SHAFT ASS'Y,PURPLE |
1 |
SN: 139838-UP
|
|
|
|
? |
6710-71-1312
|
SHAFT,RED |
1 |
SN: 139838-UP
|
|
|
|
? |
6710-79-1312
|
SHAFT,BLUE |
1 |
SN: 139838-UP
|
|
|
|
? |
6710-78-1312
|
SHAFT,GREEN |
1 |
SN: 139838-UP
|
|
|
|
? |
6710-77-1312
|
SHAFT,YELLOW |
1 |
SN: 139838-UP
|
|
|
|
? |
6710-76-1312
|
SHAFT,ORANGE |
1 |
SN: 139838-UP
|
|
|
|
? |
6710-75-1312
|
SHAFT,BLACK |
1 |
SN: 139838-UP
|
|
|
|
? |
6710-74-1312
|
SHAFT,GREY |
1 |
SN: 139838-UP
|
|
|
|
? |
6710-73-1312
|
SHAFT,PURPLE |
1 |
SN: 139838-UP
|
|
|
|
? |
6710-71-3141
|
STOP |
1 |
SN: 139838-UP
|
|
|
|
? |
6710-71-2730
|
SCREW |
1 |
SN: 139838-UP
|
|
|
|
? |
6610-71-1460
|
SHIM, 0.13MM |
-2 |
SN: 139838-UP
|
|
|
|
? |
6610-71-1470
|
SHIM, 0.25MM |
-2 |
SN: 139838-UP
|
|
|
|
? |
6610-71-1480
|
SHIM, 0.51MM |
-2 |
SN: 139838-UP
|
|
|
|
? |
6710-71-2930
|
BALL |
1 |
SN: 139838-UP
|
|
|
|
? |
6710-71-1731
|
COVER |
1 |
SN: 139838-UP
|
|
|
|
? |
04418-02550
|
SCREW |
2 |
SN: .-UP
|
|
|
|
? |
6685-82-9370
|
SCREW |
2 |
SN: 139838-.
|
|
|
|
? |
6710-71-2760
|
SCREW |
1 |
SN: 139838-UP
|
|
|
|
? |
6710-71-1791
|
SCREW |
1 |
SN: 139838-UP
|
|
|
|
? |
02216-10404
|
NUT |
2 |
SN: 139838-UP
|
|
|
|
? |
6710-71-2892
|
BARREL |
1 |
SN: 139838-UP
|
|
|
|
? |
6710-71-2880
|
O-RING (K6) |
1 |
SN: 139838-UP
|
|
|
|
? |
02890-01018
|
O-RING (K6) |
1 |
SN: 139838-UP
|
|
|
|
? |
02890-01020
|
O-RING (K6) |
1 |
SN: 139838-UP
|
|
|
|
? |
6600-01-3120
|
RING |
1 |
SN: 139838-UP
|
|
|
|
? |
6610-71-5180
|
SPRING |
1 |
SN: 139838-UP
|
|
|
|
? |
6710-71-3400
|
VALVE |
1 |
SN: 139838-UP
|
|
|
|
? |
6610-71-1712
|
PLATE, NAME,(LIMITED SUPPLY) |
1 |
SN: 139838-UP
|
|
|
|
? |
04418-02550
|
SCREW |
2 |
SN: .-UP
|
|
|
|
? |
6685-82-9370
|
SCREW |
2 |
SN: 139838-.
|
|
|
|
? |
6610-71-5100
|
SPRING,RED, L=16.3-16.8 |
1 |
SN: .-UP
|
|
|
|
? |
6610-71-5110
|
SPRING,BLUE, L=16.3-16.8 |
1 |
SN: .-UP
|
|
|
|
? |
6610-71-5120
|
SPRING,LIGHTBROWN, L=16.3-16.8 |
1 |
SN: .-UP
|
|
|
|
? |
6610-71-5130
|
SPRING,YELLOW, L=16.3-16.8 |
1 |
SN: .-UP
|
|
|
|
? |
6610-71-5140
|
SPRING,RED-BLUE, L=16.3-16.8 |
1 |
SN: .-UP
|
|
|
|
? |
6610-71-5150
|
SPRING,RED-LIGHTBROWN, L=16.3-16.8 |
1 |
SN: .-UP
|
|
|
|
? |
6610-71-5160
|
SPRING,RED-YELLOW, L=16.3-16.8 |
1 |
SN: .-UP
|
|
|
|
? |
6610-71-5170
|
SPRING,BLUE-LIGHTBROWN, L=16.3-16.8 |
1 |
SN: .-UP
|
|
|
|
? |
6610-71-5180
|
SPRING,BLUE-YELLOW, L=16.3-16.8 |
1 |
SN: .-UP
|
|
|
|
? |
6610-71-5190
|
SPRING,LIGHTBROWN-YELLOW, L=16.3-16.8 |
1 |
SN: .-UP
|
|
|
|
? |
6610-71-5200
|
SPRING,RED, L=15.0-15.5 |
1 |
SN: .-UP
|
|
|
|
? |
6610-71-5210
|
SPRING,BLUE, L=15.0-15.5 |
1 |
SN: .-UP
|
|
|
|
? |
6610-71-5220
|
SPRING,LIGHTBROWN, L=15.0-15.5 |
1 |
SN: .-UP
|
|
|
|
? |
6610-71-5230
|
SPRING,YELLOW, L=15.0-15.5 |
1 |
SN: .-UP
|
|
|
|
? |
6610-71-5240
|
SPRING,RED-BLUE, L=15.0-15.5 |
1 |
SN: .-UP
|
|
|
|
? |
6610-71-5250
|
SPRING,RED-LIGHTBROWN, L=15.0-15.5 |
1 |
SN: .-UP
|
|
|
|
? |
6610-71-5260
|
SPRING,RED-YELLOW, L=15.0-15.5 |
1 |
SN: .-UP
|
|
|
|
? |
6610-71-5270
|
SPRING,BLUE-LIGHTBROWN, L=15.0-15.5 |
1 |
SN: .-UP
|
|
|
|
? |
6610-71-5280
|
SPRING,BLUE-YELLOW, L=15.0-15.5 |
1 |
SN: .-UP
|
|
|
|
? |
6610-71-5290
|
SPRING,LIGHTBROWN-YELLOW, L=15.0-15.5 |
1 |
SN: .-UP
|
|
|
|
? |
6610-71-5300
|
SPRING,RED, L=13.7-14.2 |
1 |
SN: .-UP
|
|
|
|
? |
6610-71-5310
|
SPRING,BLUE, L=13.7-14.2 |
1 |
SN: .-UP
|
|
|
|
? |
6610-71-5320
|
SPRING,LIGHTBROWN, L=13.7-14.2 |
1 |
SN: .-UP
|
|
|
|
? |
6610-71-5330
|
SPRING,YELLOW, L=13.7-14.2 |
1 |
SN: .-UP
|
|
|
|
? |
6610-71-5340
|
SPRING,RED-BLUE, L=13.7-14.2 |
1 |
SN: .-UP
|
|
|
|
? |
6610-71-5350
|
SPRING,RED-LIGHTBROWN, L=13.7-14.2 |
1 |
SN: .-UP
|
|
|
|
? |
6610-71-5360
|
SPRING,RED-YELLOW, L=13.7-14.2 |
1 |
SN: .-UP
|
|
|
|
? |
6610-71-5370
|
SPRING,BLUE-LIGHTBROWN, L=13.7-14.2 |
1 |
SN: .-UP
|
|
|
|
? |
6610-71-5380
|
SPRING,BLUE-YELLOW, L=13.7-14.2 |
1 |
SN: .-UP
|
|
|
|
? |
6610-71-5390
|
SPRING,LIGHTBROWN-YELLOW, L=13.7-14.2 |
1 |
SN: .-UP
|
|
|
|
? |
6610-71-5400
|
SPRING,RED, L=12.5-13.0 |
1 |
SN: .-UP
|
|
|
|
? |
6610-71-5410
|
SPRING,BLUE, L=12.5-13.0 |
1 |
SN: .-UP
|
|
|
|
? |
6610-71-5420
|
SPRING,LIGHTBROWN, L=12.5-13.0 |
1 |
SN: .-UP
|
|
|
|
? |
6610-71-5430
|
SPRING,YELLOW, L=12.5-13.0 |
1 |
SN: .-UP
|
|
|
|
? |
6610-71-5440
|
SPRING,RED-BLUE, L=12.5-13.0 |
1 |
SN: .-UP
|
|
|
|
? |
6610-71-5450
|
SPRING,RED-LIGHTBROWN, L=12.5-13.0 |
1 |
SN: .-UP
|
|
|
|
? |
6610-71-5460
|
SPRING,RED-YELLOW, L=12.5-13.0 |
1 |
SN: .-UP
|
|
|
|
? |
6610-71-5470
|
SPRING,BLUE-LIGHTBROWN, L=12.5-13.0 |
1 |
SN: .-UP
|
|
|
|
? |
6610-71-5480
|
SPRING,BLUE-YELLOW, L=12.5-13.0 |
1 |
SN: .-UP
|
|
|
|
? |
6610-71-5490
|
SPRING,LIGHTBROWN-YELLOW, L=12.5-13.0 |
1 |
SN: .-UP
|
|