Find books across the catalog from one place.
This page is prepared as the search workspace. The search behavior itself can be connected in the next step.
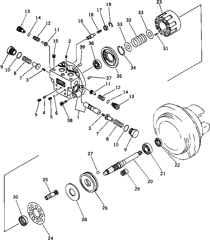
6212611203.TRAVEL MOTOR (1/2) (FOR 2ND TRAVEL SPEED) (OP)(#24001-26000) (6433) in PC20-6 S/N 24001-UP. Diagram image and parts list.
Test text. Dear users! Access to the special equipment catalogs is paid. You can review the service usage rules and tariffs on the page!