Find books across the catalog from one place.
This page is prepared as the search workspace. The search behavior itself can be connected in the next step.
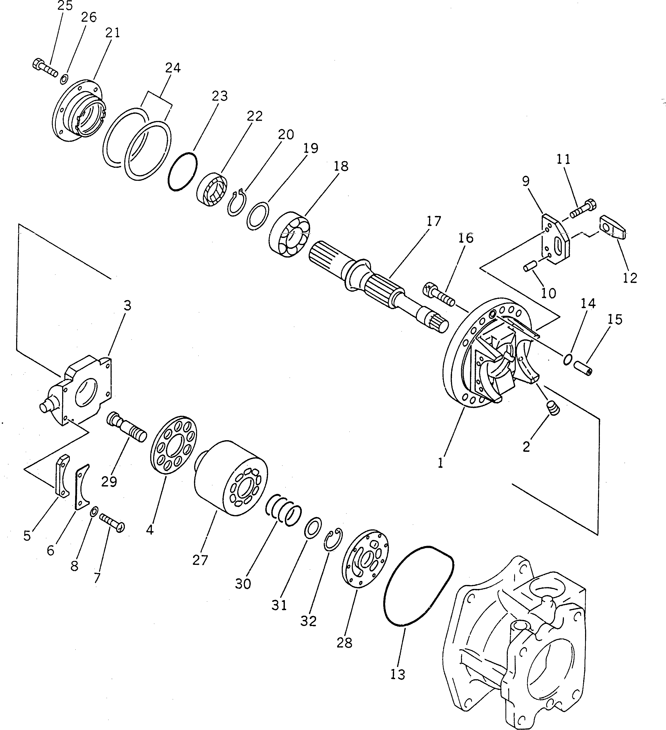
6212611203.HYDRAULIC PUMP ? NO.1 (PUMP 2/5) (3/13) (WITH 3-STAGE SELECTOR MODE OLSS) (6103) in PC650SE-3 S/N 10501-UP. Diagram image and parts list.
Test text. Dear users! Access to the special equipment catalogs is paid. You can review the service usage rules and tariffs on the page!