Find books across the catalog from one place.
This page is prepared as the search workspace. The search behavior itself can be connected in the next step.
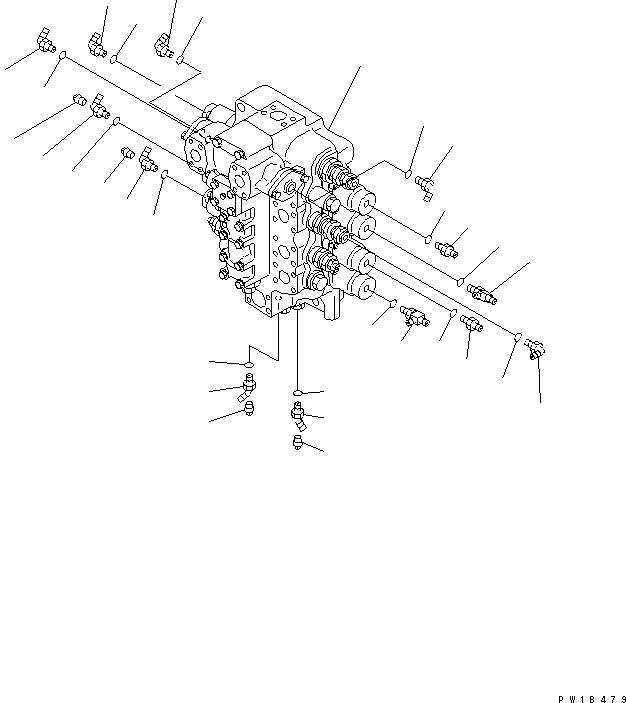
6212611203.MAIN VALVE (4-SPOOL VALVE) (JOINT PARTS)(#11001-) (H0120-03A1) in PC750SE-6-AM S/N 10001-UP. Diagram image and parts list.
Test text. Dear users! Access to the special equipment catalogs is paid. You can review the service usage rules and tariffs on the page!