Search in All Books
Find books across the catalog from one place.
This page is prepared as the search workspace. The search behavior itself can be connected in the next step.
Search whole Komatsu part number in all books. Example: 6212611203.
WF22T-2 S/N 1011-UP
Komatsu WF22T-2 S/N 1011-UP parts catalog PDF
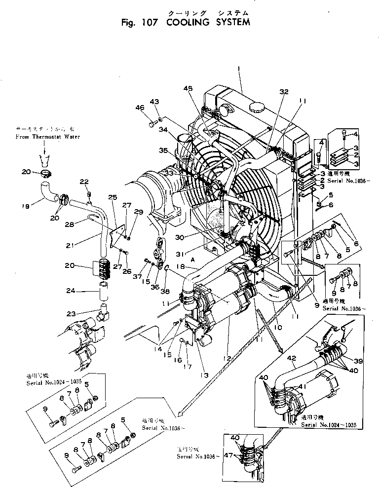
COOLING SYSTEM (107) in WF22T-2 S/N 1011-UP. Diagram image and parts list.
Model manual types and quick links