Find books across the catalog from one place.
This page is prepared as the search workspace. The search behavior itself can be connected in the next step.
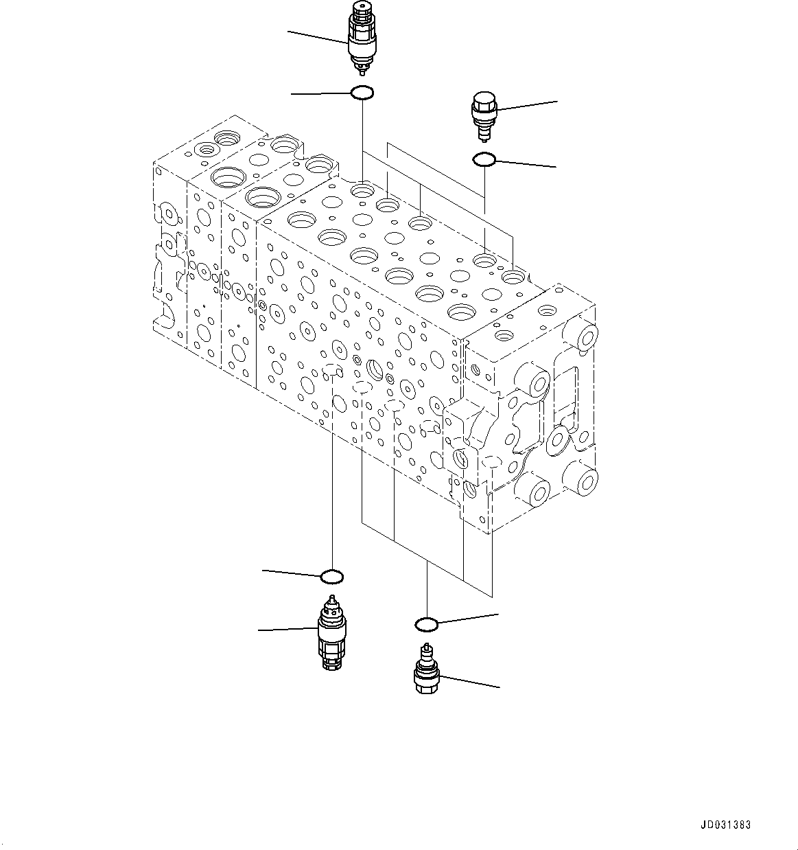
6212611203.MAIN CONTROL VALVE, 2-ADDITIONAL ACTUATOR PIPING, FOR EU (12/23) (H0120-009012) in PC228USLC-8 S/N 50001-UP. Diagram image and parts list.
Test text. Dear users! Access to the special equipment catalogs is paid. You can review the service usage rules and tariffs on the page!