Find books across the catalog from one place.
This page is prepared as the search workspace. The search behavior itself can be connected in the next step.
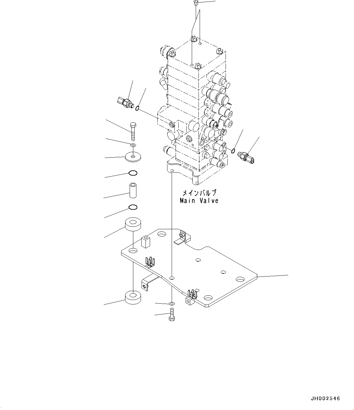
6212611203.MAIN CONTROL VALVE, 1-ACTUATOR, 2-PIECE BOOM, (3/3) (H0120-001034) in PC190NLC-8 S/N K50001-UP. Diagram image and parts list.
Test text. Dear users! Access to the special equipment catalogs is paid. You can review the service usage rules and tariffs on the page!