|
|
? |
698 382 73
|
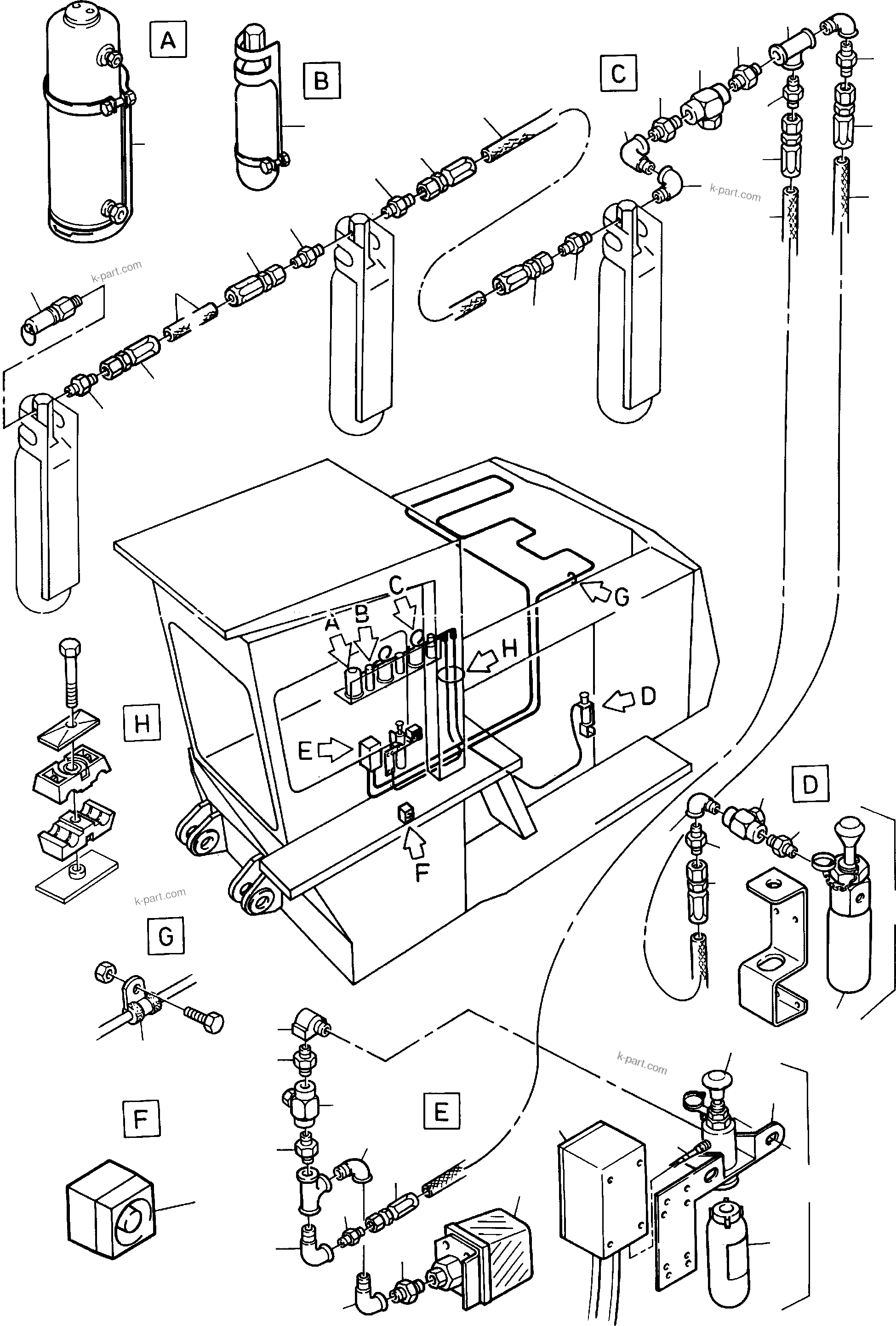
Extinguishing tank |
3 |
InternBDB: 530 034
|
|
|
|
? |
694 029
|
Power gas cartridge |
3 |
InternBDB: 29187
|
|
|
|
? |
695 042
|
Seal kit to fig-no. 02 |
-2 |
|
|
|
|
? |
697 136 73
|
Monitor |
1 |
InternBDB: 78952
|
|
|
|
? |
697 427 73
|
Horn |
1 |
InternBDB: 71233
|
|
|
|
? |
765 041 73
|
Actuating arrangement |
1 |
InternBDB: 534 124
|
|
|
|
? |
697 117 73
|
Retainer |
1 |
InternBDB: 54923
|
|
|
|
? |
694 053
|
Extinction powder 20 kg |
-2 |
InternBDB: 53080
|
|
|
|
? |
697 116 73
|
Actuating line
Bulk ware, state length
required |
-2 |
InternBDB: Kopperschmidt 71230
|
|
|
|
? |
698 388 73
|
Actuating arr. |
1 |
InternBDB: 57484
|
|
|
|
? |
696 253 73
|
Power gas cartridge |
2 |
|
|
|
|
? |
698 381 73
|
Battery to fig-no. 03 |
1 |
|
|
|
|
? |
697 425 73
|
Hand actuator |
1 |
|
|
|
|
? |
696 256 73
|
Igniter |
1 |
|
|
|
|
? |
698 132 73
|
Pressure switch |
1 |
|
|
|
|
? |
255 922 40
|
Hose DN 5
Bulk ware, state length
required |
-2 |
InternBDB: Aeroquip GA-590-4
|
|
|
|
? |
255 926 40
|
Hose fittings |
8 |
InternBDB: 07.002-4-4
|
|
|
|
? |
370 754 99
|
Twin nipple |
10 |
InternBDB: 1/4 /2990
|
|
|
|
? |
370 710 99
|
Union |
1 |
InternBDB: 1/4 /2987
|
|
|
|
? |
694 035
|
Safety valve |
1 |
InternBDB: 15677
|
|
|
|
? |
764 069 73
|
Control valve |
3 |
InternBDB: 53051
|
|
|
|
? |
764 068 73
|
Elbow union |
1 |
InternBDB: 53409
|
|
|
|
? |
|
Elbow union |
4 |
InternBDB: 2950-92-2 /1/4
|
|
|
|
? |
|
Elbow union |
2 |
InternBDB: 2950-90-1/2
|
|
|
|
? |
370 756 99
|
Twin nipple |
1 |
InternBDB: 1/2 /2990
|
|
|
|
? |
765 042 73
|
Cable for igniter fig-no. 13 |
1 |
|
|
|
|
? |
255 919 40
|
Hose DN 16
Bulk ware, state length
required |
-2 |
InternBDB: GA-590-12
|
|
|
|
? |
269 076 40
|
Hose fittings |
-2 |
InternBDB: 07.002-16-12
|
|
|
|
? |
255 924 40
|
Hose fittings |
-2 |
InternBDB: 07.002-13-10
|
|
|
|
? |
373 087 99
|
Union |
-2 |
InternBDB: 2950-1/2x3/4
|
|
|
|
? |
255 922 40
|
Hose DN 5
Bulk ware, state length
required |
-2 |
InternBDB: Aeroquip GA-590-4
|
|
|
|
? |
|
Elbow union |
-2 |
InternBDB: 2950-90-1/2
|
|
|
|
? |
255 926 40
|
Hose fittings |
-2 |
InternBDB: 07.002-4-4
|
|
|
|
? |
370 757 99
|
Twin nipple |
-2 |
InternBDB: 3/4 /2990
|
|
|
|
? |
|
Elbow union |
-2 |
InternBDB: 2950-90-3/4
|
|
|
|
? |
370 791 99
|
Twin nipple |
-2 |
InternBDB: 1/2 /2990
|
|
|
|
? |
255 918 40
|
Hose DN 12
Bulk ware, state length
required |
-2 |
InternBDB: GA-590-10
|
|
|
|
? |
694 036
|
Spray jet |
12 |
InternBDB: 16449
|
|
|
|
? |
694 962
|
Lock washer |
12 |
InternBDB: 25581
|
|
|
|
? |
370 754 99
|
Twin nipple |
-2 |
InternBDB: 1/4 /2990
|
|
|
|
? |
|
Union |
-2 |
InternBDB: 27205
|
|
|
|
? |
370 713 99
|
Union |
-2 |
InternBDB: 3/4 /2987
|
|
|
|
? |
269 468 40
|
Hose fittings |
-2 |
InternBDB: 07.031-13-10
|
|
|
|
? |
324 612 40
|
Hose fittings |
-2 |
InternBDB: 07.030-13-10
|
|
|
|
? |
|
Elbow union |
-2 |
InternBDB: 2950-92-1/4
|
|