|
|
? |
696 257 73
|
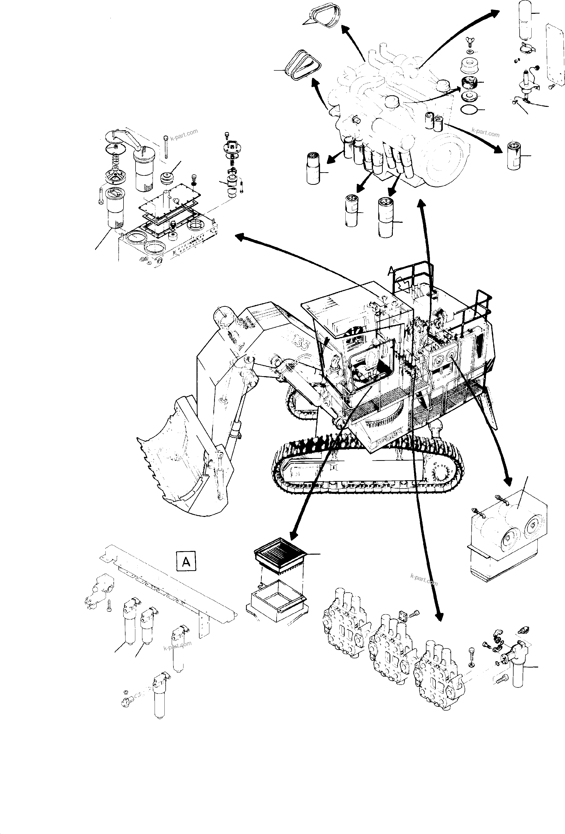
Filter element |
-2 |
InternBDB: Hydac 4.409.658
|
|
|
|
? |
694 488
|
Main element |
2 |
InternBDB: Donaldson P 18-2038
|
|
|
|
? |
988 636
|
Safety element |
2 |
InternBDB: P 11-5070
|
|
|
|
? |
959 779
|
V-belt |
2 |
InternBDB: Cummins 300 99 79 3/4
|
|
|
|
? |
694 400
|
Filter element |
2 |
InternBDB: Hydac 3.402.990
|
|
|
|
? |
697 256 73
|
V-belt |
2 |
InternBDB: Cummins 178 558
|
|
|
|
? |
695 835 73
|
Water filter |
2 |
InternBDB: WF - 2076
|
|
|
|
? |
692 306
|
By-pass - oil filter cartridge |
1 |
InternBDB: LF - 777 330 42 32
|
|
|
|
? |
694 409
|
Filter element |
1 |
InternBDB: Hydac 4.404.751
|
|
|
|
? |
691 865
|
Element |
1 |
InternBDB: Argo P 2.1217-33
|
|
|
|
? |
695 997 73
|
Filter element |
3 |
InternBDB: 168 4003
|
|
|
|
? |
694 131
|
Filter element |
2 |
InternBDB: Cummins 255 183
|
|
|
|
? |
504 765 98
|
O-ring |
3 |
InternBDB: 44,2x2,5
|
|
|
|
? |
972 150
|
O-ring |
6 |
InternBDB: 4,5x1,5
|
|
|
|
? |
972 149
|
O-ring |
3 |
InternBDB: 94,85x3,53
|
|
|
|
? |
694 423
|
Support ring |
3 |
InternBDB: 461 9017
|
|
|
|
? |
694 133
|
O-ring |
2 |
InternBDB: Cummins 254 608
|
|
|
|
? |
988 779
|
Oil filter cartridge |
3 |
InternBDB: LF - 670 299 670
|
|
|
|
? |
693 587
|
Fuel filter with separator |
2 |
InternBDB: FS-1216
|
|
|
|
? |
963 526
|
Replacement cartridge |
1 |
InternBDB: 259 345
|
|
|
|
? |
256 214 40
|
O-ring |
3 |
InternBDB: 53,57x3,53
|
|
|
|
? |
988 785
|
Element with seal ring |
3 |
InternBDB: P 3.0520-01 173 4002
|
|
|
|
? |
988 785
|
Element with seal ring
(air condition arr.) |
1 |
InternBDB: P 3.0520-01 173 4002
|
|
|
|
? |
697 262 73
|
Element with seal ring |
1 |
InternBDB: P 3.0510-00 160 5001
|
|
|
|
? |
269 055 40
|
Air cleaner |
1 |
InternBDB: Hornk.u.Wolf 30-000.218
|
|
|
|
? |
696 022 73
|
Coolant test set |
1 |
InternBDB: DC 4-Kit
|
|
|
|
? |
764 579 73
|
Coolant ca. 5 l |
1 |
InternBDB: DCA 65 L
|
|
|
|
? |
696 021 73
|
Coolant cleaner |
1 |
InternBDB: CC 2610
|
|