Find books across the catalog from one place.
This page is prepared as the search workspace. The search behavior itself can be connected in the next step.
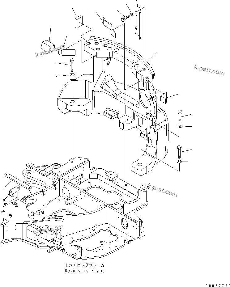
6212611203.COUNTER WEIGHT ? 580KG (M1510-01B0) in PC35MR-3(JPN)-FOR CAB S/N 15001-UP. Diagram image and parts list.
Test text. Dear users! Access to the special equipment catalogs is paid. You can review the service usage rules and tariffs on the page!