Find books across the catalog from one place.
This page is prepared as the search workspace. The search behavior itself can be connected in the next step.
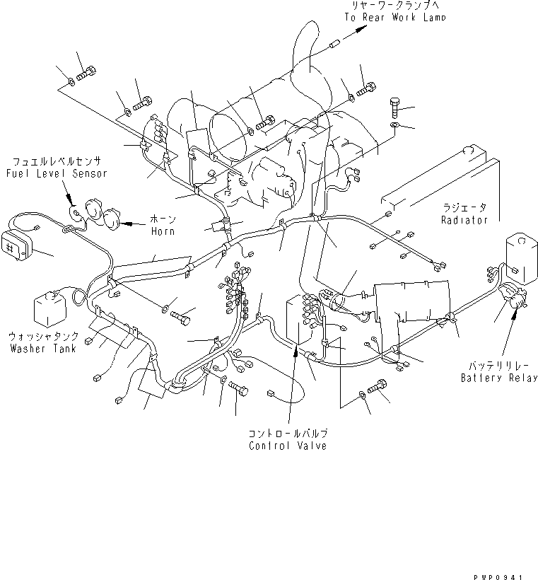
6212611203.WIRING (2/4) (MAIN HARNESS)(#K34001-) (E0200-02A0B) in PC200EN-6K S/N K30001-UP. Diagram image and parts list.
Test text. Dear users! Access to the special equipment catalogs is paid. You can review the service usage rules and tariffs on the page!