Find books across the catalog from one place.
This page is prepared as the search workspace. The search behavior itself can be connected in the next step.
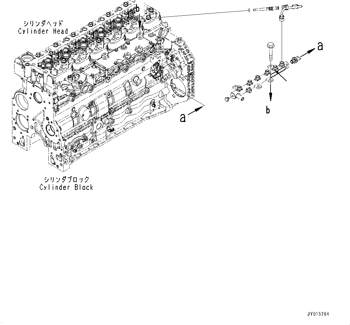
6212611203.CAUTION PLATES (#26576092-) (A9810-003001) in SAA6D107E-1J S/N 26534228-UP (For WA320-6/WA320PZ-6). Diagram image and parts list.
Test text. Dear users! Access to the special equipment catalogs is paid. You can review the service usage rules and tariffs on the page!