Find books across the catalog from one place.
This page is prepared as the search workspace. The search behavior itself can be connected in the next step.
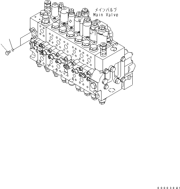
6212611203.ATTACHMENT LESS - REVOLVING FRAME (TWO-PIECE BOOM) (H1270-01A4) in PW220-7E0 S/N H65051-UP. Diagram image and parts list.
Test text. Dear users! Access to the special equipment catalogs is paid. You can review the service usage rules and tariffs on the page!