Find books across the catalog from one place.
This page is prepared as the search workspace. The search behavior itself can be connected in the next step.
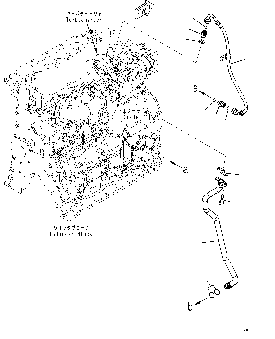
6212611203.TURBOCHARGER OIL PIPING, (#26568594-) (ATP00-002001A) in SAA4D107E-1D S/N 26527701-UP (For PC160LC-8). Diagram image and parts list.
Test text. Dear users! Access to the special equipment catalogs is paid. You can review the service usage rules and tariffs on the page!