Find books across the catalog from one place.
This page is prepared as the search workspace. The search behavior itself can be connected in the next step.
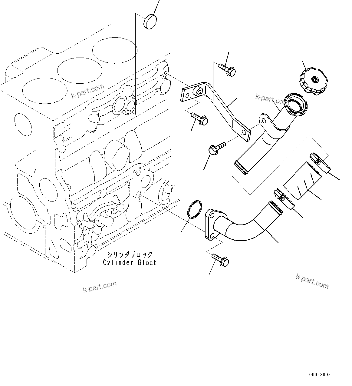
6212611203.ENGINE OIL FILLER (#26540705-) (AOB10-001001) in SAA6D107E-1CC S/N 26540705-UP (For GD655-5/GD675-5). Diagram image and parts list.
Test text. Dear users! Access to the special equipment catalogs is paid. You can review the service usage rules and tariffs on the page!