Find books across the catalog from one place.
This page is prepared as the search workspace. The search behavior itself can be connected in the next step.
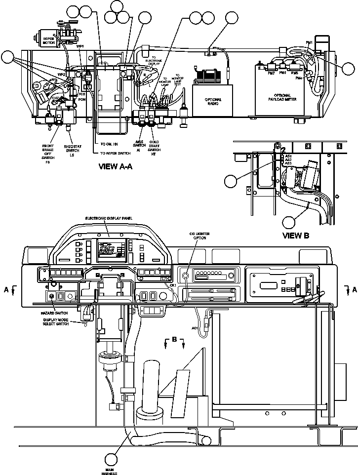
6212611203.WIRING INSTALLATION - DASH - 1 (16222) in 330M S/N A10190-A10195 (DH637) (SA12V140Z-1). Diagram image and parts list.
Test text. Dear users! Access to the special equipment catalogs is paid. You can review the service usage rules and tariffs on the page!