Find books across the catalog from one place.
This page is prepared as the search workspace. The search behavior itself can be connected in the next step.
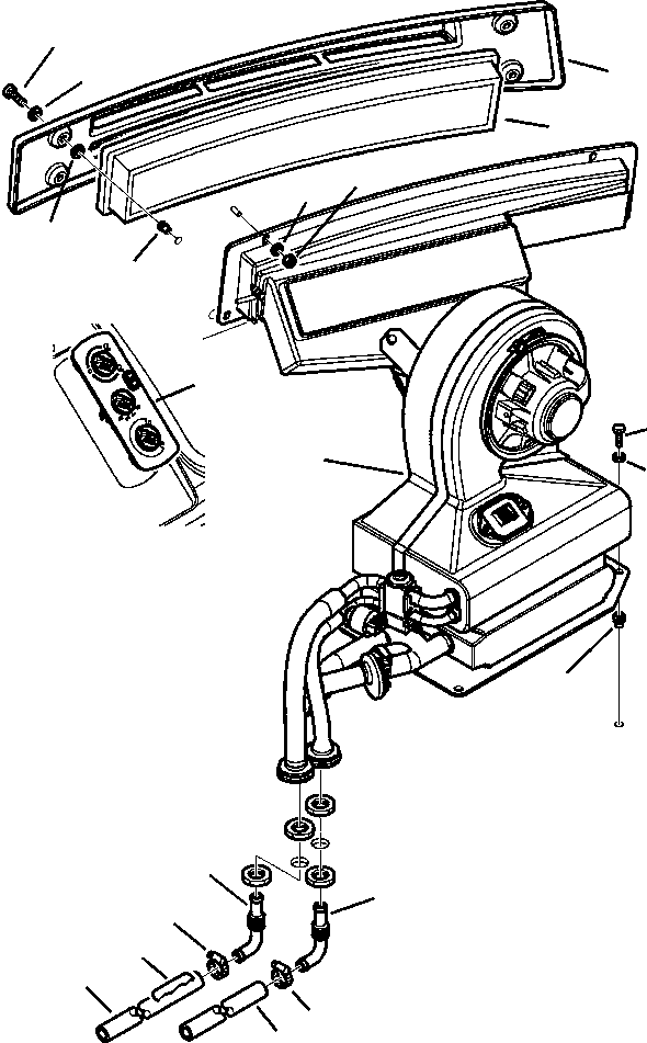
6212611203.K5020-01A0 CAB WITH AIR CONDITIONING AIR CONDITIONER FILTER AND SWITCH (K5020-01A0) in WB156-5 BACKHOE LOADER S/N A63001-UP. Diagram image and parts list.
Test text. Dear users! Access to the special equipment catalogs is paid. You can review the service usage rules and tariffs on the page!