Find books across the catalog from one place.
This page is prepared as the search workspace. The search behavior itself can be connected in the next step.
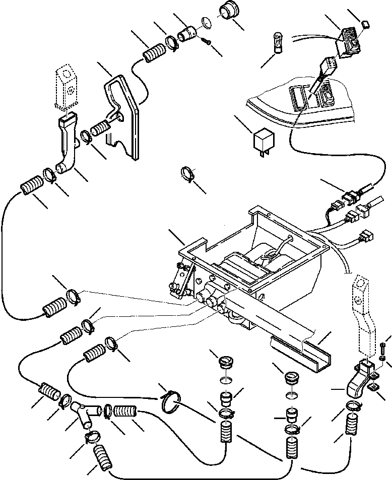
6212611203.FIG. K5700-01A1 AIR CONDITIONER - DUCTING AND CONTROLS (K5700-01A1) in WB140PS-2N S/N A40034-UP. Diagram image and parts list.
Test text. Dear users! Access to the special equipment catalogs is paid. You can review the service usage rules and tariffs on the page!