Find books across the catalog from one place.
This page is prepared as the search workspace. The search behavior itself can be connected in the next step.
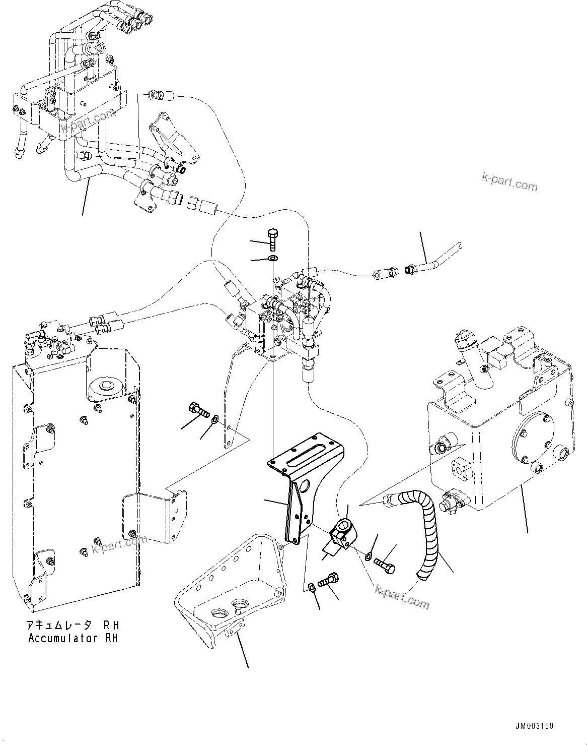
6212611203.BRAKE PIPING (AUTO-GREASING SYSTEM) (PROPORTIONAL VALVE PIPING) (|H00341) in HD785-NI-7 S/N N10561-UP. Diagram image and parts list.
Test text. Dear users! Access to the special equipment catalogs is paid. You can review the service usage rules and tariffs on the page!