Find books across the catalog from one place.
This page is prepared as the search workspace. The search behavior itself can be connected in the next step.
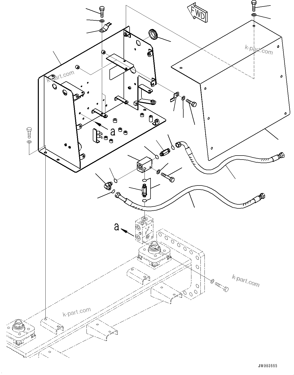
6212611203.BATTERY BOX AND REAR HOOD (LARGE CAPACITY BATTERY, SANDY AND DUSTY TERRAIN ARRANGEMENT, EXTRA BAD FUEL AND POOR FUEL SPECIFICATI (|E00109) in HD785-NI-7 S/N N10561-UP. Diagram image and parts list.
Test text. Dear users! Access to the special equipment catalogs is paid. You can review the service usage rules and tariffs on the page!