Find books across the catalog from one place.
This page is prepared as the search workspace. The search behavior itself can be connected in the next step.
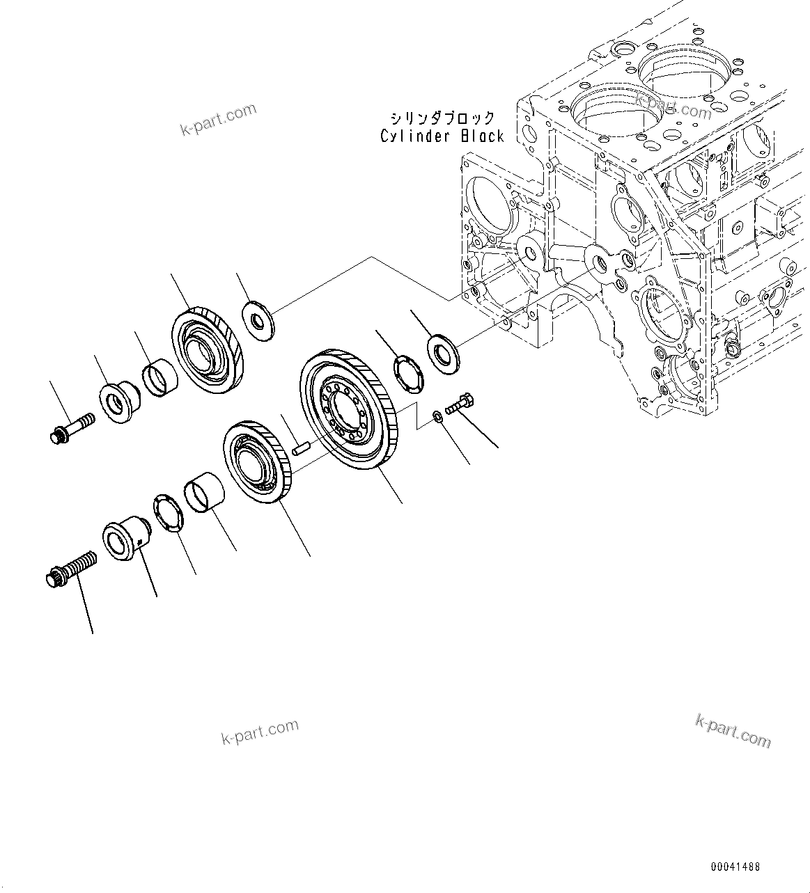
6212611203.IDLE GEARS (#535751-) (A2050-001001) in SAA6D140E-5G S/N 535751-UP (For D155AX-6). Diagram image and parts list.
Test text. Dear users! Access to the special equipment catalogs is paid. You can review the service usage rules and tariffs on the page!