Search in all models by partnumber
Search current book

Komatsu PC8000-11 S/N 12117 parts catalog PDF

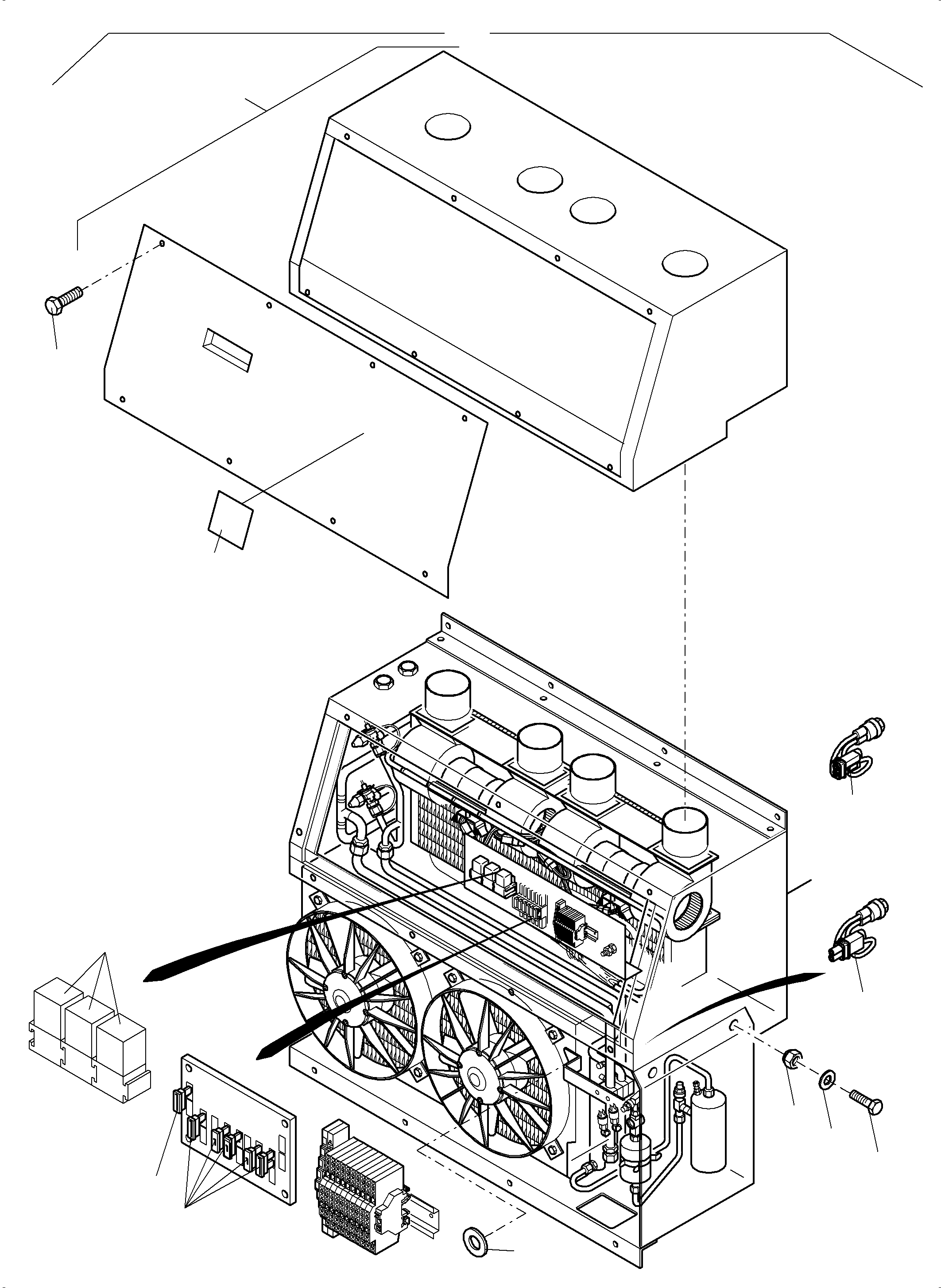
AIR CONDITIONING UNIT (991-1362a) in PC8000-11 S/N 12117. Diagram image and parts list.

Model manual types and quick links