|
|
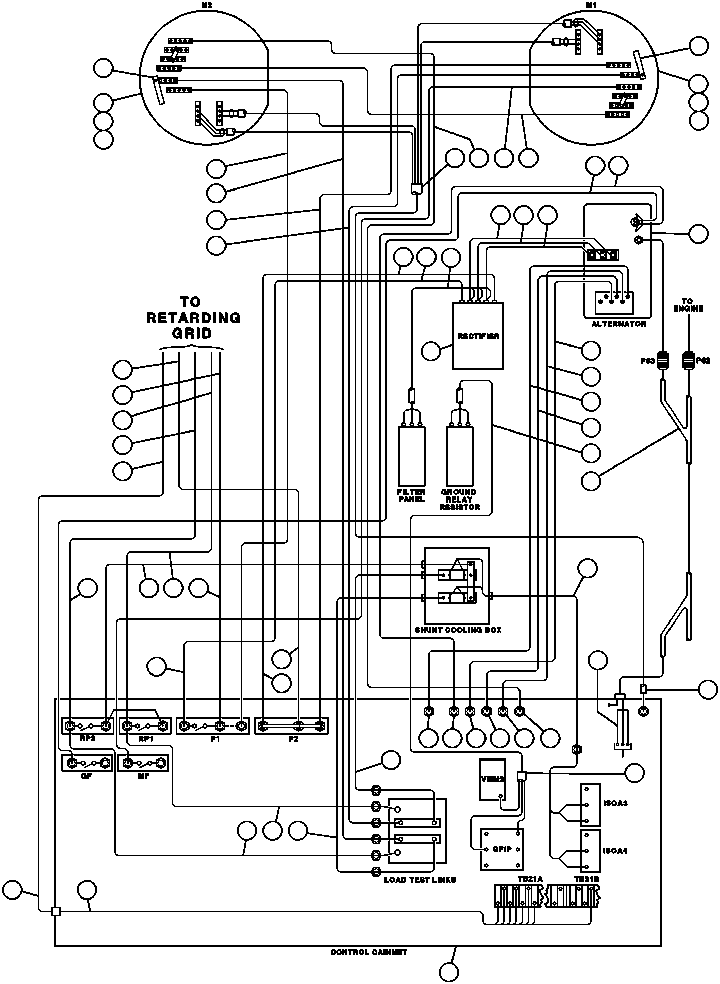
1 |
PB8974
|
ALTERNATOR/BLOWER ASSM |
1 |
|
|
|
|
2 |
PB8783
|
WHEEL, MOTORIZED DRIVE (788 FS7) |
2 |
|
|
|
|
3 |
VN3270
|
CAPSCREW - 1 1/4" - 7NC X 5" |
96 |
|
|
|
|
4 |
WA0366
|
FLAT WASHER - 1 1/4" |
96 |
|
|
|
|
5 |
TK5255
|
BAR, BUS |
2 |
|
|
|
|
6 |
PB6489
|
RECTIFIER |
1 |
|
|
|
|
7 |
|
CABINET, CONTROL (SEE INDEX) |
1 |
|
|
|
|
8 |
TK2399
|
CABLE - 74 AF (DRIVE WHEEL TO DRIVE WHEEL) |
1 |
|
|
|
|
9 |
EC9101
|
CABLE - 7J4 (MF CONTACTOR TO LEFT WHEEL MOTOR) |
1 |
|
|
|
|
10 |
EC9102
|
CABLE - 7J9 (S3 SHUNT TO RIGHT WHEEL MOTOR) |
1 |
|
|
|
|
11 |
EC9118
|
CABLE - CONDUIT (WHEEL SPEED & TEMP SENSOR WIRING) |
1 |
|
|
|
|
12 |
CH1446
|
CABLE - 7J2 (P1 CONTACTOR TO RIGHT WHEEL MOTOR) |
1 |
|
|
|
|
13 |
CH1448
|
CABLE - 7JIR (CONTROL CABINET TO RIGHT WHEEL MOTOR) |
1 |
|
|
|
|
14 |
CH1470
|
CABLE - 7GA1 (LEFT WHEEL MOTOR TO CONTROL CABINET) |
1 |
|
|
|
|
15 |
CH1449
|
CABLE - 7J1L (CONTROL CABINET TO LEFT WHEEL MOTOR) |
1 |
|
|
|
|
16 |
EC9106
|
CABLE - 74 (ALTERNATOR TO GF CONTACTOR) |
1 |
|
|
|
|
17 |
CH1907
|
CABLE - 74AA (ALTERNATOR TO AFSE CONTACTOR) |
1 |
|
|
|
|
18 |
CH1031
|
CABLE - T1 (ALTERNATOR TO RECTIFIER) |
1 |
|
|
|
|
19 |
CH1032
|
CABLE - T2 (ALTERNATOR TO RECTIFIER) |
1 |
|
|
|
|
20 |
CH1033
|
CABLE - T3 (ALTERNATOR TO RECTIFIER) |
1 |
|
|
|
|
21 |
EC9105
|
CABLE - 75X (ALTERNATOR - T15 TO MFSE PANEL) |
1 |
|
|
|
|
22 |
EC9103
|
CABLE - 74D (ALTERNATOR - T14 TO S6 SHUNT) |
1 |
|
|
|
|
23 |
CH1903
|
CABLE - 71J (ALTERNATOR - T13 TO AFSE PANEL) |
1 |
|
|
|
|
24 |
TX1905
|
CABLE - 71G (ALTERNATOR - T16 TO S7 SHUNT) |
1 |
|
|
|
|
25 |
EC9108
|
HARNESS - (GRR PANEL TO GRR CONTACTOR) |
1 |
|
|
|
|
26 |
TY8242
|
HARNESS - (RECTIFIER TO FILTER PANEL) |
1 |
|
|
|
|
27 |
CH2006
|
CABLE - 7GA1 (CONTROL CABINET TO BLOWN GRID) |
1 |
|
|
|
|
28 |
CH1445
|
CABLE - 7J2 (P1 CONTACTOR TO BLOWN GRID) |
1 |
|
|
|
|
29 |
CH1444
|
CABLE - 7J8 (RP1 CONTACTOR TO BLOWN GRID) |
1 |
|
|
|
|
30 |
CH1443
|
CABLE - 7J7 (RP2 CONTACTOR TO BLOWN GRID) |
1 |
|
|
|
|
31 |
EC9112
|
HARNESS - (TB21A TO BLOWN GRID) |
1 |
|
|
|
|
32 |
CH1439
|
CABLE 7J1 (RP2 CONTACTOR TO LOAD TEST BOX) |
1 |
|
|
|
|
33 |
CH1440
|
CABLE - 7J7 (RP2 CONTACTOR TO LOAD TEST BOX) |
1 |
|
|
|
|
34 |
CH1441
|
CABLE - 7J8 (RP1 CONTACTOR TO CONTROL CABINET) |
1 |
|
|
|
|
35 |
CH1438
|
CABLE - 7J1LS (CONTROL CABINET TO LOAD TEST BOX) |
1 |
|
|
|
|
36 |
CH1437
|
CABLE - 7J1RS (CONTROL CABINET TO LOAD TEST BOX) |
1 |
|
|
|
|
37 |
CH1058
|
CABLE - 7GA1 (RECTIFIER TO P2 CONTACTOR) |
1 |
|
|
|
|
38 |
CH1034
|
CABLE - 7GA2 (RECTIFIER TO P1 CONTACTOR) |
1 |
|
|
|
|
39 |
EC9350
|
HARNESS - (CONTROL CABINET TO BLOWN GRID) |
1 |
|
|
|
|
40 |
EC7269
|
HARNESS - (SHUNT BOX TO ISOA3 & ISOA4) |
1 |
|
|
|
|
41 |
EC9113
|
HARNESS - (TO ALTERNATOR (ESS)/ENGINE CONTROL (DDEC)) |
1 |
|
|