Find books across the catalog from one place.
This page is prepared as the search workspace. The search behavior itself can be connected in the next step.
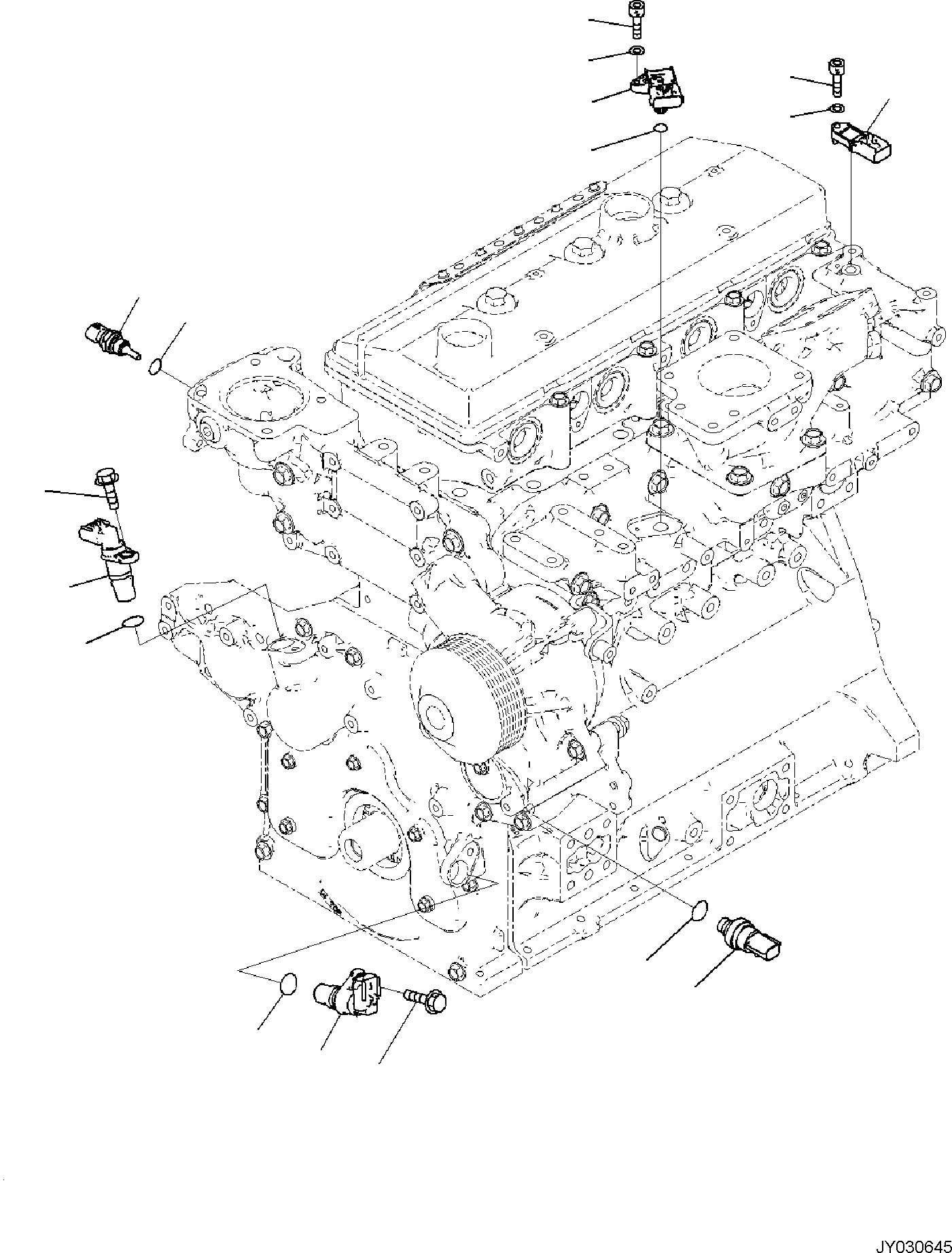
6212611203.ENGINE ACCESSORIES AND OTHERS, ENGINE CONTROL MODULE, FOR EU SAFETY REGULATION, MODULE (APH00-002002) in SAA4D95LE-7A S/N 801699-UP FOR PW118MR-11. Diagram image and parts list.
Test text. Dear users! Access to the special equipment catalogs is paid. You can review the service usage rules and tariffs on the page!