|
|
? |
SM4274
|
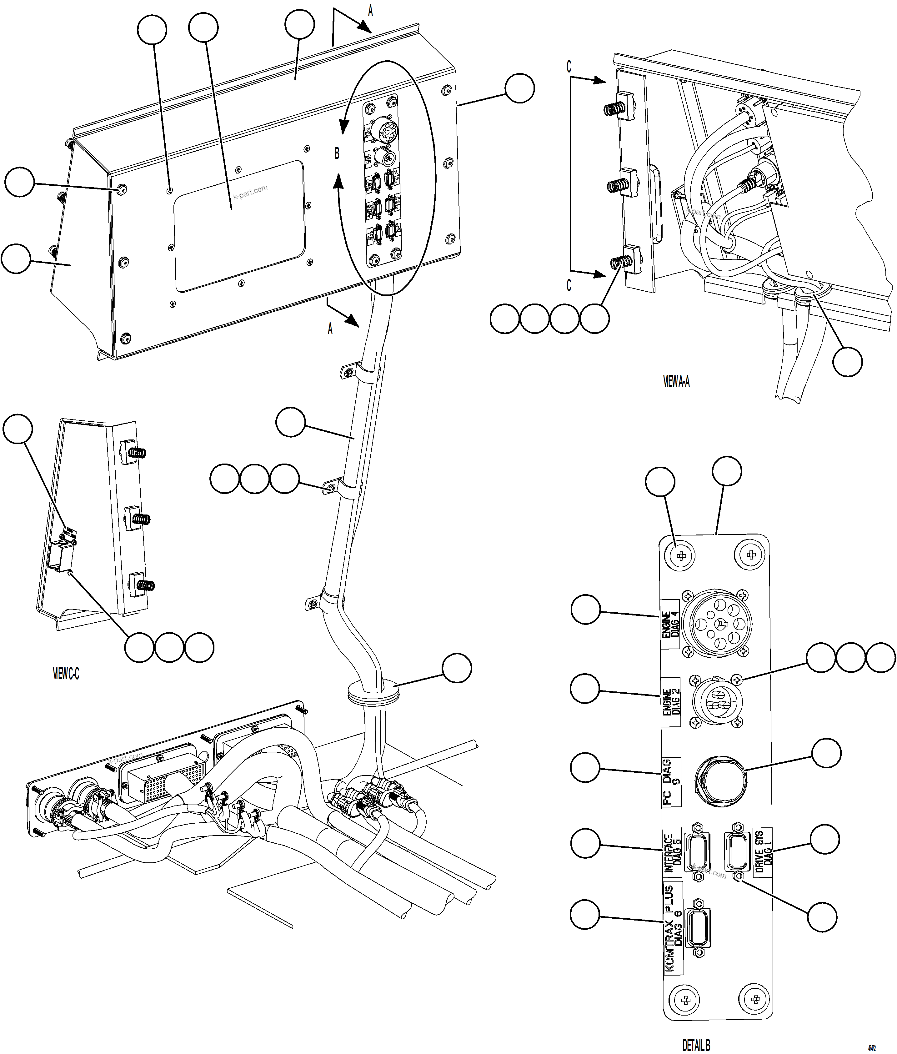
PLATE, SIDE - RH |
1 |
|
|
|
|
? |
PB9829
|
CAPSCREW - M6 X 1.00 X 16 |
10 |
|
|
|
|
? |
58F-80-00040
|
SCREW, FLAT HEAD - #10 - 32NF X 5/8" |
8 |
|
|
|
|
? |
58B-06-00111
|
PANEL, DIAGNOSTIC INFORMATION DISPLAY (DID) |
1 |
|
|
|
|
? |
EM4640
|
PLATE, BENT (DID PANEL MOUNTING) |
1 |
|
|
|
|
? |
58E-06-07980
|
PLATE, SIDE - LH |
1 |
|
|
|
|
? |
TR8279
|
GROMMET, RUBBER |
2 |
|
|
|
|
? |
58E-06-20370
|
NAME PLATE - THIRD PARTY DIAG |
1 |
|
|
|
|
? |
VC8762
|
CAPSCREW - 3/8" - 16NC X 1 1/2" |
6 |
|
|
|
|
? |
TR4436
|
FLAT WASHER, HARDENED - 3/8" |
6 |
|
|
|
|
? |
TC1231
|
LOCKWASHER - 3/8" |
6 |
|
|
|
|
? |
SM5049
|
NUT, SPRING - 3/8" - 16NC |
6 |
|
|
|
|
? |
58E-06-00606
|
HARNESS, WIRING - CAB DIAGNOSTIC |
1 |
|
|
|
|
? |
WB1305
|
CLAMP, CUSHIONED - 1 1/2" |
3 |
|
|
|
|
? |
WA4513
|
SCREW - #10 - 24NC X 1/2" |
3 |
|
|
|
|
? |
DF3445
|
FLAT WASHER - #12 |
3 |
|
|
|
|
? |
SG3146
|
GROMMET |
1 |
|
|
|
|
? |
58E-06-05201
|
PLATE, DIAGNOSTIC |
1 |
|
|
|
|
? |
WB3115
|
NAME PLATE - ENGINE DIAG 4 |
1 |
|
|
|
|
? |
MM0331
|
MACHINE SCREW - M3 X 0.5 X 20 |
8 |
|
|
|
|
? |
MM0376
|
LOCKWASHER, EXTERNAL TOOTH - M3 |
8 |
|
|
|
|
? |
MM0370
|
NUT - M3 X 0.5 |
8 |
|
|
|
|
? |
WB3116
|
NAME PLATE - DRIVE SYSTEM DIAG 1 |
1 |
|
|
|
|
? |
58F-06-40830
|
ADAPTER, RJ45 |
1 |
|
|
|
|
? |
PB8256
|
SCREW LOCK, FEMALE |
3 |
|
|
|
|
? |
WB3120
|
NAME PLATE - KOMTRAX PLUS DIAG 6 |
1 |
|
|
|
|
? |
WB3117
|
NAME PLATE - INTERFACE DIAG 5 |
1 |
|
|
|
|
? |
58E-06-80020
|
NAME PLATE - PC DIAG 9 |
1 |
|
|
|
|
? |
WB3114
|
NAME PLATE - ENGINE DIAG 2 |
1 |
|
|
|
|
? |
MM0345
|
MACHINE SCREW - M4 X 0.7 X 8 |
4 |
|
|
|
|
? |
MM0378
|
LOCKWASHER, EXTERNAL TOOTH - M4 |
4 |
|
|
|
|
? |
MM0372
|
NUT - M4 X 0.7 |
4 |
|
|