Search in all models by partnumber
Search current book

Komatsu AFE59-FJ 930E-4 S/N A31661, A31664 - A31665, A31677 - A31679, A31698, A31700, A31704, A31718, A31720 & A31724 CASSERONES parts catalog PDF

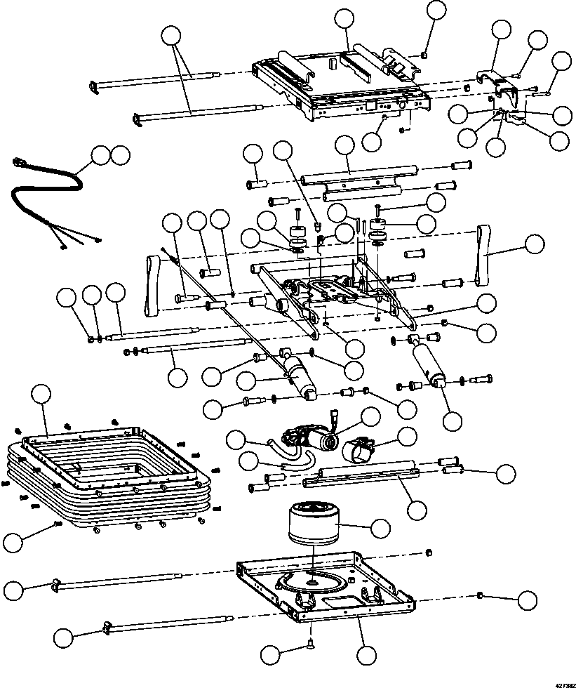
SEAT SUSPENSION ASSEMBLY XA5816 (42738) in AFE59-FJ 930E-4 S/N A31661, A31664 - A31665, A31677 - A31679, A31698, A31700, A31704, A31718, A31720 & A31724 CASSERONES. Diagram image and parts list.

Model manual types and quick links