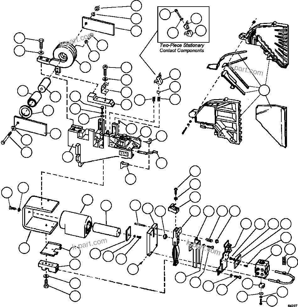
|
|
? |
GE1010
|
BRACKET, SUPPORT |
1 |
|
|
|
|
? |
GE1011
|
INTERLOCK, MECHANICAL |
1 |
|
|
|
|
? |
GE1012
|
LATCH SPRING, ARC CHUTE |
1 |
|
|
|
|
? |
GE1013
|
LEVER |
1 |
|
|
|
|
? |
GE1014
|
HOLD-ON IRON |
1 |
|
|
|
|
? |
GE1015
|
SCREW, SELF-TAPPING - #10 |
1 |
|
|
|
|
? |
GE1016
|
FLAT WASHER - 5/16" |
4 |
|
|
|
|
? |
GE1017
|
LOCKWASHER - 5/16" |
2 |
|
|
|
|
? |
GE1018
|
CAPSCREW, SOCKET HEAD - 5/16" - 18NC X 1 1/2" |
2 |
|
|
|
|
? |
GE1019
|
TERMINAL, PIVOT |
1 |
|
|
|
|
? |
GE1020
|
SPRING, LEAF |
1 |
|
|
|
|
? |
GE1021
|
LOCKWASHER |
2 |
|
|
|
|
? |
GE1022
|
CAPSCREW, SOCKET HEAD - 5/16" - 18NC X 1 1/4" |
2 |
|
|
|
|
? |
GE1023
|
SPRING, WIPE |
3 |
|
|
|
|
? |
GE1024
|
SPRING, PIVOT |
3 |
|
|
|
|
? |
GE1025
|
CAP, PIVOT SPRING |
3 |
|
|
|
|
? |
VJ6523
|
CONTACT, STATIONARY - 1 PIECE |
3 |
|
|
|
|
? |
VJ3236
|
CONTACT, STATIONARY - 2 PIECE, LOWER |
3 |
|
|
|
|
? |
VJ3235
|
CONTACT, STATIONARY - 2 PIECE, UPPER |
3 |
|
|
|
|
? |
GE1026
|
LOCKWASHER - #10 |
3 |
|
|
|
|
? |
VE7247
|
CAPSCREW, SOCKET HEAD - #10 - 32NF X 7/8" |
3 |
|
|
|
|
? |
GE0696
|
KIT, ARC CHUTE |
1 |
|
|
|
|
? |
GE1052
|
LOCKWASHER - 1/4" |
1 |
|
|
|
|
? |
C1520
|
NUT - 5/16" - 18NC |
1 |
|
|
|
|
? |
GE1028
|
LOCKWASHER - 5/16" |
2 |
|
|
|
|
? |
GE1029
|
PLATE, POLE |
2 |
|
|
|
|
? |
GE1022
|
CAPSCREW, SOCKET HEAD - 5/16" - 18NC X 1 1/4" |
2 |
|
|
|
|
? |
GE1017
|
LOCKWASHER - 5/16" |
2 |
|
|
|
|
? |
GE1030
|
KIT, BLOW OUT COIL |
1 |
|
|
|
|
? |
GE1031
|
CAPSCREW - 3/8" - 16NC X 1 1/4" |
2 |
|
|
|
|
? |
GE1032
|
FLAT WASHER - 3/8" |
2 |
|
|
|
|
? |
GE1033
|
CORE, MAGNET |
1 |
|
|
|
|
? |
GE1034
|
SHEET, INSULATING |
1 |
|
|
|
|
? |
GE1035
|
SPACER, INSULATING |
2 |
|
|
|
|
? |
GE1036
|
CAPSCREW - 5/16" - 18NC X 4 1/2" |
1 |
|
|
|
|
? |
GE1037
|
SCREW, FLAT HEAD - 3/8" - 16NC X 1" |
1 |
|
|
|
|
? |
GE1038
|
LOCKWASHER, COUNTERSUNK |
1 |
|
|
|
|
? |
GE1039
|
YOKE |
1 |
|
|
|
|
? |
GE1040
|
SCREW, SOCKET HEAD - 5/16" - 18NC X 1" |
2 |
|
|
|
|
? |
GE1017
|
LOCKWASHER - 5/16" |
2 |
|
|
|
|
? |
GE1041
|
TERMINAL, BOTTOM |
1 |
|
|
|
|
? |
GE1042
|
GUIDE, ARMATURE |
1 |
|
|
|
|
? |
GE1043
|
COIL |
1 |
|
|
|
|
? |
GE1044
|
CORE, MAGNET |
1 |
|
|
|
|
? |
GE1045
|
PLATE, POLE |
1 |
|
|
|
|
? |
VJ5672
|
LOCKWASHER, COUNTERSUNK - 1/4" |
1 |
|
|
|
|
? |
GE1046
|
SCREW - 1/4" - 20NC X 1/4" |
1 |
|
|
|
|
? |
GE1047
|
SETSCREW - 1/4" - 20NC X 1/4" |
2 |
|
|
|
|
? |
GE1048
|
PIN, SHOULDER |
2 |
|
|
|
|
? |
GE1049
|
ARMATURE ASSEMBLY |
1 |
|
|
|
|
? |
GE1050
|
OPEN STOP |
1 |
|
|
|
|
? |
GE1051
|
SCREW, SOCKET HEAD - 1/4" - 20NC X 1" |
2 |
|
|
|
|
? |
GE1052
|
LOCKWASHER - 1/4" |
2 |
|
|
|
|
? |
GE1053
|
CONTACT, MOVABLE |
1 |
|
|
|
|
? |
GE1054
|
SUPPORT, MOVABLE CONTACT |
1 |
|
|
|
|
? |
GE1055
|
MAGNET, HOLD-ON |
1 |
|
|
|
|
? |
GE1056
|
SPRING, CONTACT |
2 |
|
|
|
|
? |
GE1057
|
"X" WASHER |
2 |
|
|
|
|
? |
GE1058
|
BRACKET, SUPPORT |
1 |
|
|
|
|
? |
GE1059
|
SCREW - #10 - 32NF X 3/8" |
2 |
|
|
|
|
? |
GE1026
|
LOCKWASHER - #10 |
2 |
|
|
|
|
? |
GE1060
|
SUPPORT, INTERLOCK |
1 |
|
|
|
|
? |
GE1061
|
SCREW - #10 - 32NF X 3/8" (SPECIAL) |
2 |
|
|
|
|
? |
GE1062
|
SPRING, RETURN |
2 |
|
|
|
|
? |
GE1063
|
SWITCH, INTERLOCK |
1 |
|
|
|
|
? |
GE1064
|
LEVER, OPENING |
1 |
|
|
|
|
? |
GE1065
|
LOCKWASHER - #10 |
1 |
|
|
|
|
? |
GE1066
|
CAPSCREW - 1/4" - 20NC X 1" |
1 |
|
|
|
|
? |
GE1067
|
OPERATOR, INTERLOCK |
1 |
|
|
|
|
? |
GE1068
|
WASHER, BELLEVILLE |
1 |
|
|
|
|
? |
GE1051
|
SCREW, SOCKET HEAD - 1/4" - 20NC X 1" |
2 |
|
|
|
|
? |
GE1052
|
LOCKWASHER - 1/4" |
2 |
|
|
|
|
? |
GE1069
|
SCREW, SOCKET HEAD - 1/4" - 20NC X 1/2" |
1 |
|
|