Search in all models by partnumber
Search current book

Komatsu AFE78-AF 930E-5 S/N A40128 - A40129 LOMAS BAYAS parts catalog PDF

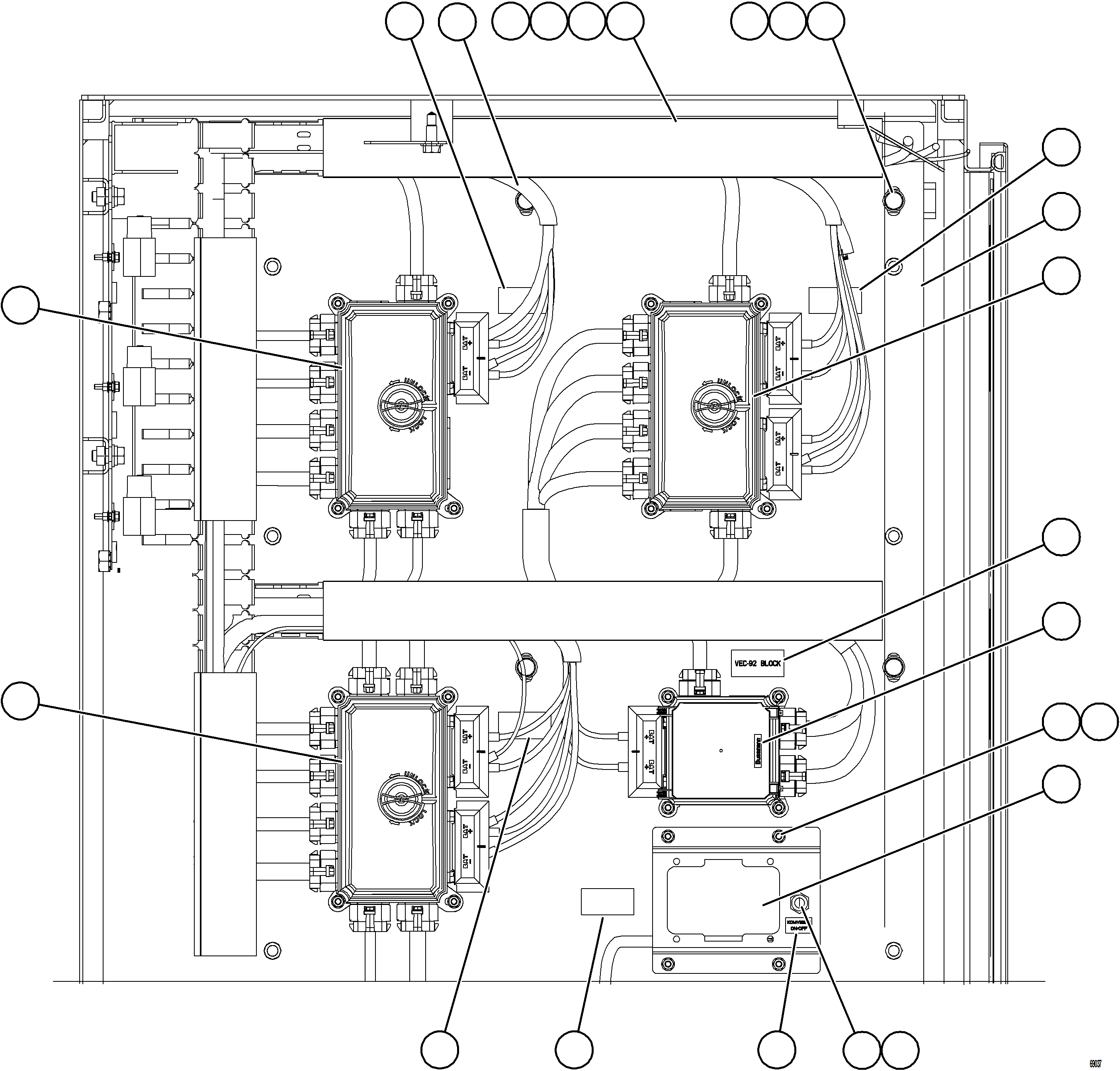
AUXILIARY CONTROL CABINET - RH WALL 1/2 (69037) in AFE78-AF 930E-5 S/N A40128 - A40129 LOMAS BAYAS. Diagram image and parts list.

Model manual types and quick links