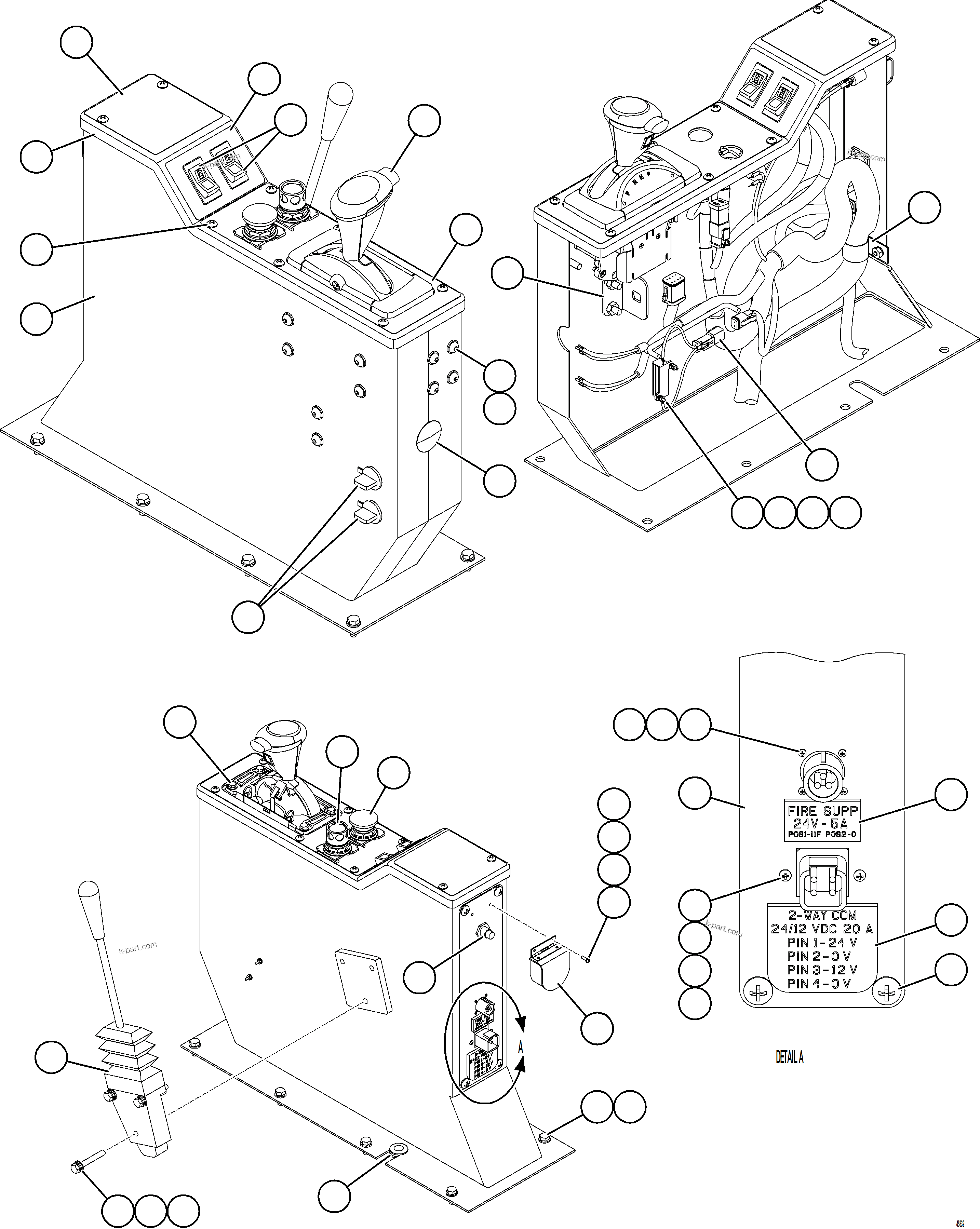
|
|
? |
58F-54-01140
|
CONSOLE |
1 |
|
|
|
|
? |
58D-54-00051
|
COVER, CENTER CONSOLE |
1 |
|
|
|
|
? |
EL2721
|
DECAL, SHIFT CONSOLE - FORWARD |
1 |
|
|
|
|
? |
EL2723
|
DECAL, SHIFT CONSOLE - MIDDLE |
1 |
|
|
|
|
? |
EL5711
|
DECAL, SHIFT CONSOLE - REAR |
1 |
|
|
|
|
? |
WA4605
|
SCREW - #10 - 24NC X 1/2" |
8 |
|
|
|
|
? |
PC1374
|
OUTLET, AUXILIARY POWER |
2 |
|
|
|
|
? |
SM0628
|
COVER |
1 |
|
|
|
|
? |
HE2467
|
MACHINE SCREW - #6 - 32NC X 1/2" |
2 |
|
|
|
|
? |
DF4944
|
LOCKWASHER - #6 |
2 |
|
|
|
|
? |
HE5125
|
FLAT WASHER - #6 |
2 |
|
|
|
|
? |
DD2468
|
NUT - #6 - 32NC |
2 |
|
|
|
|
? |
PB6893
|
VALVE, CONTROL |
1 |
|
|
|
|
? |
WA3597
|
CAPSCREW - 5/16" - 18NC X 2 1/4" |
3 |
|
|
|
|
? |
SC4174
|
LOCKWASHER - 5/16" |
3 |
|
|
|
|
? |
TV0177
|
FLAT WASHER - 5/16" |
3 |
|
|
|
|
? |
WB3548
|
NAME PLATE - FIRE SUPP |
1 |
|
|
|
|
? |
WB3549
|
NAME PLATE - 2 WAY RADIO |
1 |
|
|
|
|
? |
58E-09-01010
|
FLAT WASHER - M8 |
10 |
|
|
|
|
? |
58E-09-01000
|
CAPSCREW - M8 X 1.25 X 25 |
10 |
|
|
|
|
? |
TF7982
|
GROMMET, RUBBER |
1 |
|
|
|
|
? |
PB8624
|
SWITCH, PUSH |
1 |
|
|
|
|
? |
58E-06-50080
|
SWITCH, PUSH |
1 |
|
|
|
|
? |
58E-06-50070
|
SWITCH, PUSH-PULL |
1 |
|
|
|
|
? |
58E-98-02320
|
KNOB, RED |
1 |
|
|
|
|
? |
PC2873
|
LEVER, GEAR SELECTOR |
1 |
|
|
|
|
? |
31127R1
|
CAPSCREW - M6 X 1.00 X 12 |
4 |
|
|
|
|
? |
PC0490
|
SWITCH, ROCKER |
2 |
|
|
|
|
? |
XB6618
|
PLATE, DIAGNOSTIC |
1 |
|
|
|
|
? |
SM0926
|
CAPSCREW - M6 X 1.00 |
4 |
|
|
|
|
? |
VN2971
|
PLUG, BUTTON - 1 1/2" |
1 |
|
|
|
|
? |
MM0712
|
FLAT WASHER, HARDENED - M8 |
8 |
|
|
|
|
? |
MM0593
|
CAPSCREW - M8 X 1.25 X 20 |
8 |
|
|
|
|
? |
EM5648
|
RESISTOR |
1 |
|
|
|
|
? |
VG1621
|
MACHINE SCREW - #4 - 40NC X 5/8" |
2 |
|
|
|
|
? |
VN9762
|
FLAT WASHER - #4 |
2 |
|
|
|
|
? |
VD7129
|
LOCKWASHER - #4 |
2 |
|
|
|
|
? |
VN9708
|
NUT - #4 - 40NC |
2 |
|
|
|
|
? |
MM0344
|
MACHINE SCREW - M4 X 0.7 X 20 |
2 |
|
|
|
|
? |
MM0378
|
LOCKWASHER, EXTERNAL TOOTH - M4 |
2 |
|
|
|
|
? |
MM0205
|
LOCKWASHER - M4 |
2 |
|
|
|
|
? |
MM0372
|
NUT - M4 X 0.7 |
2 |
|
|
|
|
? |
MM0331
|
MACHINE SCREW - M3 X 0.5 X 20 |
4 |
|
|
|
|
? |
MM0376
|
LOCKWASHER, EXTERNAL TOOTH - M3 |
4 |
|
|
|
|
? |
MM0370
|
NUT - M3 X 0.5 |
4 |
|
|
|
|
? |
TR9441
|
CLAMP, VINYL - 1 1/4" ID |
1 |
|
|
|
|
? |
58E-54-23500
|
BRACKET |
1 |
|
|