|
|
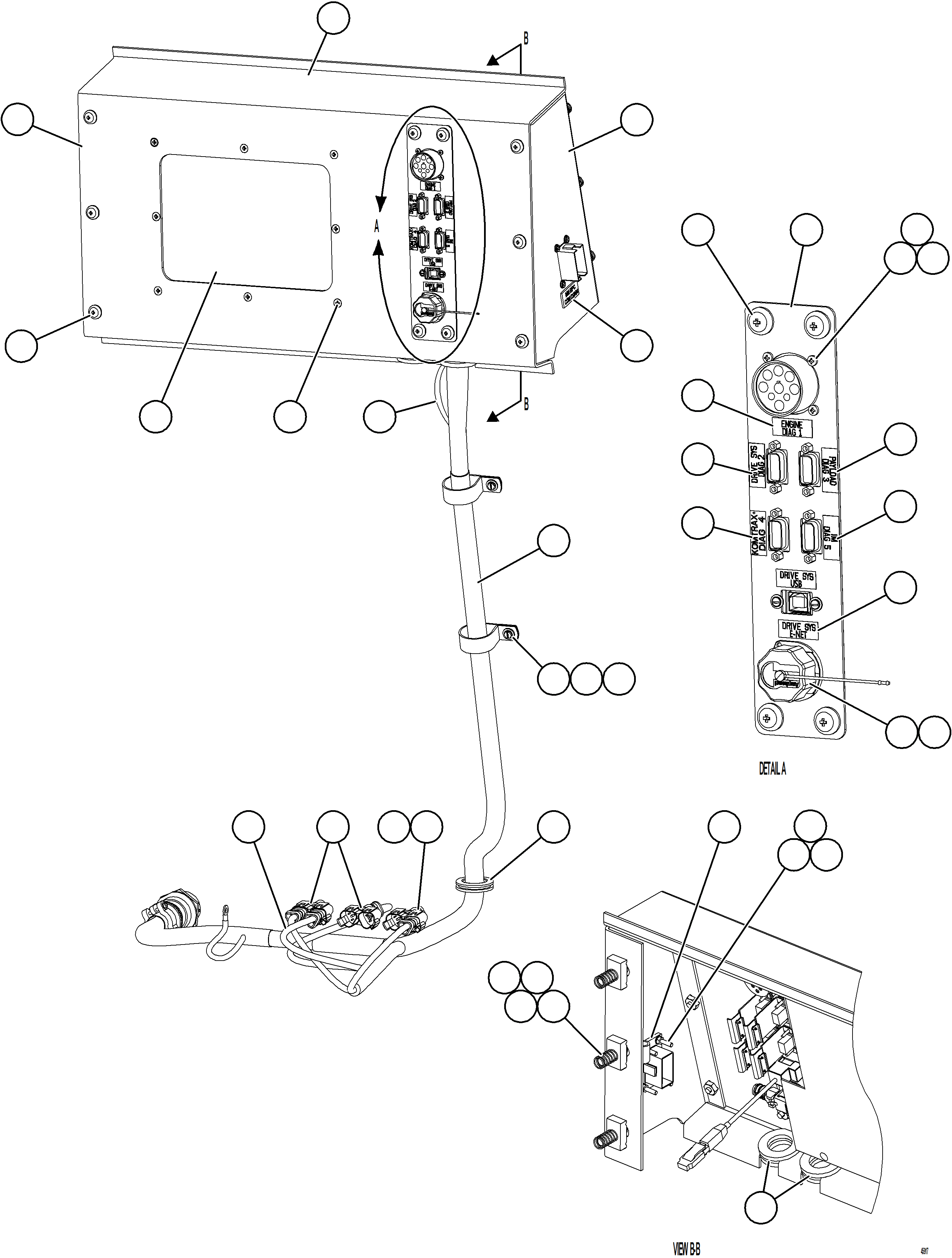
1 |
EM4640
|
PLATE, BENT |
1 |
|
|
|
|
2 |
XC1932
|
PLATE, SIDE - LH |
1 |
|
|
|
|
3 |
SM4274
|
PLATE, SIDE - RH |
1 |
|
|
|
|
4 |
PB9829
|
CAPSCREW - M6 X 1.00 X 16 |
10 |
|
|
|
|
5 |
58B-06-00111
|
PANEL, DIAGNOSTIC INFORMATION DISPLAY |
1 |
|
|
|
|
6 |
58F-80-00040
|
SCREW, FLAT HEAD - #10 - 32NF X 5/8" |
8 |
|
|
|
|
7 |
WB3415
|
DECAL, MM RPC COM CONN |
1 |
|
|
|
|
8 |
58D-06-00523
|
HARNESS, WIRING - CAB DIAGNOSTICS |
1 |
|
|
|
|
9 |
58D-06-02430
|
HARNESS, WIRING - ETHERNET |
1 |
|
|
|
|
10 |
WB1305
|
CLAMP, CUSHIONED - 1 1/2" |
2 |
|
|
|
|
11 |
WA4513
|
SCREW - #10 - 24NC X 1/2" |
2 |
|
|
|
|
12 |
DF3445
|
FLAT WASHER - #12 |
2 |
|
|
|
|
13 |
VP3271
|
GROMMET |
1 |
|
|
|
|
14 |
C1604
|
CAPSCREW - 3/8" - 16NC X 1 1/2" |
6 |
|
|
|
|
15 |
TC1231
|
LOCKWASHER - 3/8" |
6 |
|
|
|
|
16 |
TR4436
|
FLAT WASHER, HARDENED - 3/8" |
6 |
|
|
|
|
17 |
SM5049
|
NUT, SPRING - 3/8" - 16NC |
6 |
|
|
|
|
18 |
WB3098
|
CLAMP, CUSHIONED - 3/8" |
1 |
|
|
|
|
19 |
MM0345
|
MACHINE SCREW - M4 X 0.7 X 8 |
4 |
|
|
|
|
20 |
MM0378
|
LOCKWASHER, EXTERNAL TOOTH - M4 |
8 |
|
|
|
|
21 |
MM0372
|
NUT - M4 X 0.7 |
4 |
|
|
|
|
22 |
TR8279
|
GROMMET, RUBBER |
2 |
|
|
|
|
23 |
PC0616
|
RECEPTACLE, TEE |
3 |
|
|
|
|
24 |
58D-54-01330
|
PLATE, DIAGNOSTIC |
1 |
|
|
|
|
25 |
MM0331
|
MACHINE SCREW - M3 X 0.5 X 20 |
4 |
|
|
|
|
26 |
MM0376
|
LOCKWASHER, EXTERNAL TOOTH - M3 |
4 |
|
|
|
|
27 |
MM0370
|
NUT - M3 X 0.5 |
4 |
|
|
|
|
28 |
PC0618
|
PLUG, TERMINATING |
1 |
|
|
|
|
29 |
WB3889
|
NAME PLATE - PAYLOAD DIAG 3 |
1 |
|
|
|
|
30 |
WB3890
|
NAME PLATE - KOMTRAX PLUS DIAG 4 |
1 |
|
|
|
|
31 |
WB3891
|
NAME PLATE - IM DIAG 5 |
1 |
|
|
|
|
32 |
WB3893
|
NAME PLATE - DRIVE SYS E-NET |
1 |
|
|
|
|
33 |
PC3097
|
CAP, DUST |
1 |
|
|
|
|
34 |
PC3096
|
CONNECTOR, ETHERNET |
1 |
|
|
|
|
35 |
WB3877
|
NAME PLATE - ENGINE DIAG 1 |
1 |
|
|
|
|
36 |
WB3878
|
NAME PLATE - DRIVE SYS DIAG 2 |
1 |
|
|
|
|
37 |
58D-06-01940
|
HARNESS, WIRING - CAN RPC |
1 |
|
|