Find books across the catalog from one place.
This page is prepared as the search workspace. The search behavior itself can be connected in the next step.
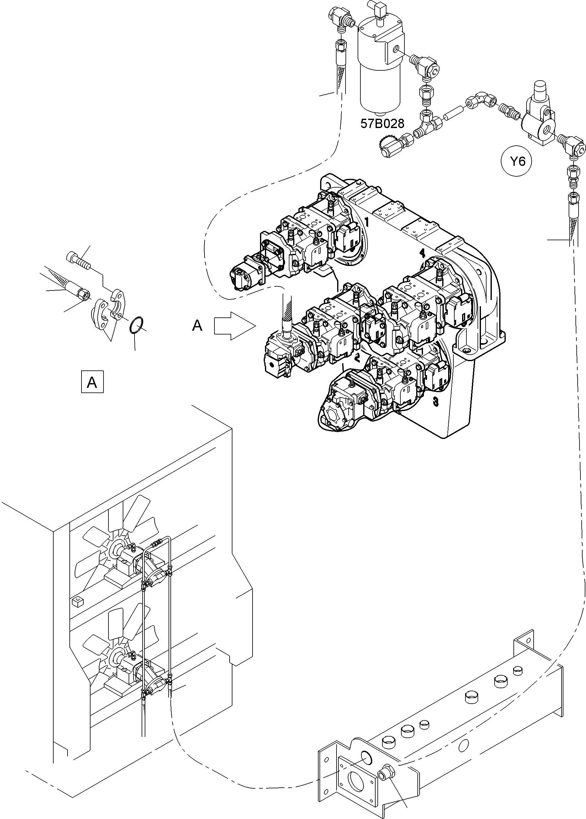
6212611203.LINES - FAN MOTORS, FAN PUMP (OIL COOLER) (357-1818) in PC4000-6E S/N 08299. Diagram image and parts list.
Test text. Dear users! Access to the special equipment catalogs is paid. You can review the service usage rules and tariffs on the page!